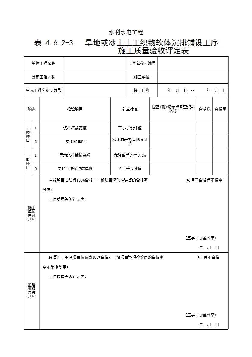
表 4.6.2-3 旱地或冰上土工织物软体沉排铺设工序施工质量验收评定表
填表说明
填表时必须遵守“填表基本规定”,并符合以下要求。1.单位工程、分布工程、单元工程名称及部位填写要与表4.6相同。2.检验(测)方法及数量。
|
检 验 项 目 |
检 验 方 法 |
检 验 数 量 |
|
沉排搭接宽度 |
量测 |
每条搭接缝或每30m搭接缝长检查1个点 |
|
软体排厚度 |
量测 |
每10~20㎡检测1个点 |
|
旱地沉排铺放高程 |
量测 |
每40~80㎡检测1个点 |
|
旱地沉排保护层厚度 |
量测 |
3.工序施工质量验收评定应提交下列资料。(1)施工单位各班(组)的初检记录、施工队复检记录、施工单位专职质检员终检记录;工序中各施工质量检验项目的检验资料。(2)监理单位对工序中施工质量检验项目的平行检测资料。
4.工序质量标准。(1)合格标准。1)主控项目,检验结果应全部符合SL634的要求。2)一般项目,逐项应有70%及以上的检验点合格,且不合格点不应集中。3)各项报验资料应符合SL634的要求。(2)优良标准。1)主控项目,检验结果应全部符合SL634的要求。2)一般项目,逐项应有90%及以上的检验点合格,且不合格点不应集中。3)各项报验资料应符合SL634的要求。