上级...

表4.3.2 土料吹填工序施工质量验收评定表

填写规范


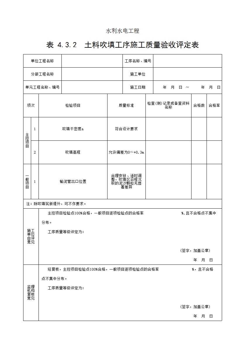
4.3.2 土料吹填工序施工质量验收评定表

填表说明

填表时必须遵守“填表基本规定”,并符合以下要求。1.单位工程、分布工程、单元工程名称及部位填写要与表4.3相同。2.检验(测)方法及数量。

检 验 项 目

检 验 方 法

检 验 数 量

吹填干密度a

土工试验

每200~400取样1个

吹填高程

测量

按堤轴线方向每50~100m测1断面,每断面10~20m测1个点

输泥管出口位置

观察

全面检查

3.工序施工质量验收评定应提交下列资料。(1)施工单位各班(组)的初检记录、施工队复检记录、施工单位专职质检员终检记录;工序中各施工质量检验项目的检验资料。(2)监理单位对工序中施工质量检验项目的平行检测资料。

4.工序质量标准。(1)合格标准。1)主控项目,检验结果应全部符合SL634的要求。2)一般项目,逐项应有70%及以上的检验点合格,且不合格点不应集中。3)各项报验资料应符合SL634的要求。(2)优良标准。1)主控项目,检验结果应全部符合SL634的要求。2)一般项目,逐项应有90%及以上的检验点合格,且不合格点不应集中。3)各项报验资料应符合SL634的要求。