上级...

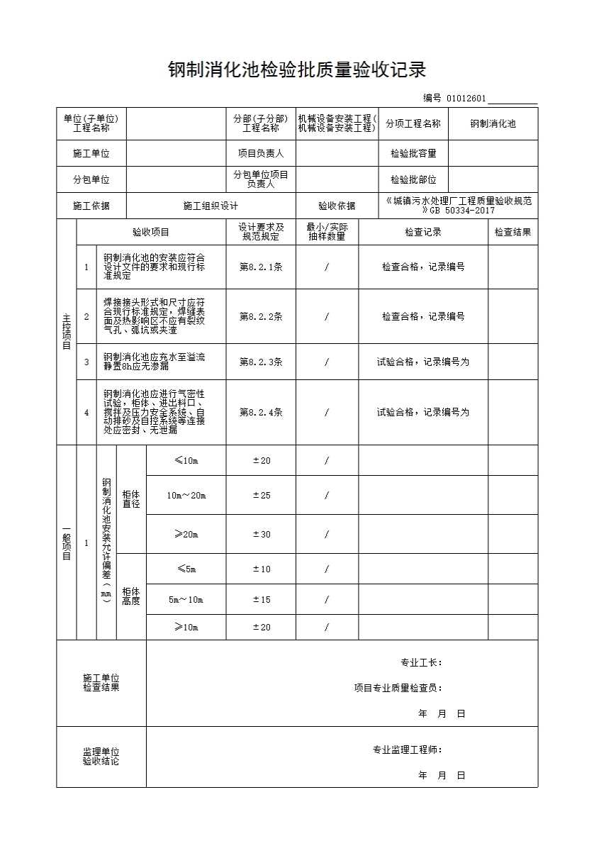
01012601_钢制消化池检验批质量验收记录

填写规范


控项目

8.2.1 钢制消化池的安装应符合设计文件的要求和现行国家标准《钢结构工程施工质量验收规范》GB 50205的有关规定。
    检验方法:观察检查,检查施工记录。

8.2.2 焊接接头形式和尺寸应符合现行国家标准《气焊、焊条电弧焊、气体保护焊和高能束焊的推荐坡口》GB/T 985.1的有关规定,焊缝表面及热影响区不应有裂纹、气孔、弧坑或夹渣。
    检验方法:观察检查,检查施工记录。

8.2.3 钢制消化池应充水至溢流,静置8h应无渗漏。
    检验方法:观察检查,检查试验记录。

8.2.4 钢制消化池应进行气密性试验,柜体、进出料口、搅拌及压力安全系统、自动排砂及自控系统等连接处应密封、无泄漏。
    检验方法:观察检查,检查试验记录。

一般项目

8.2.5 钢制消化池安装允许偏差和检验方法应符合表8.2.5的规定。

8.2.5 钢制消化池安装允许偏差和检验方法

序号

项目

允许偏差(mm)

检验方法

1

柜体直径

≤10m

±20

全站仪测量

10m~20m

±25

≥20m

±30

2

柜体高度

≤5m

±10

全站仪测量

5m~10m

±15

≥10m

±20