上级...

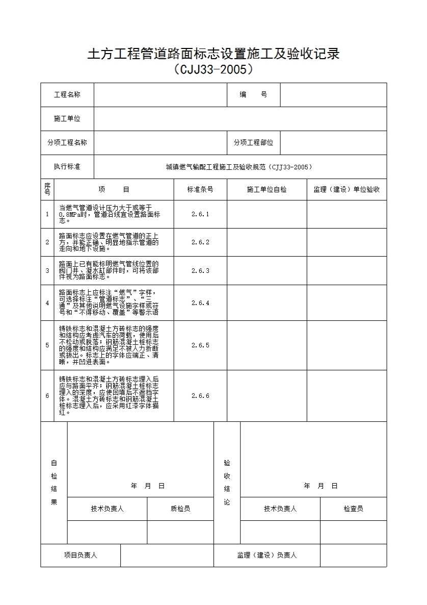
4 土方工程管道路面标志设置施工及验收记录

填写规范


2.6管道路面标志设置

2.6.1当燃气管道设计压力大于或等 于0.8MPa时,管道沿线宜设置路面标志。

对混凝士和沥青路面,宜使用铸铁标志;对人行道和土路,宜使用混凝土方砖标志;对绿化带、荒地和耕地,宜使用钢筋混凝土桩标志。

2.6.2路面标志应设置在燃气管道的正上方,并能正确、明显地指示管道的走向和地下设施。设置位置应为管道转弯处、通、四通处、管道末端等,直线管段路面标志的设置间隔不宜大

200m。

2.6.3路面上已有能标明燃气管线位置的阀门井、凝水缸部件时,可将该部件视为路面标志。

2.6.4路面标志 上应标注“燃气”字样,可选择标注“管道标志”、“三通”及其他说明燃气设施的字样或符号和“不得移动、覆盖”等警示语。

2.6.5铸铁标志和混凝土方砖标志的强度和结构应考虑汽车的荷载,使用后不松动或脱落;钢筋混凝土桩标志的强度和结构应满足不被人力折断或拔出。标志上的字体应端正、清晰,并凹进表面。

2.6.6铸铁标志和混凝土方砖标志埋人后应与路面平齐;钢筋混凝土桩标志埋人的深度,应使回填后不遮挡字体混凝土方砖标志和钢筋混凝土桩标志埋人后,应采用红漆将字体描红。