|
云上资料软件
登录
/
注册
免费注册
登录
首页
软件下载
购买
首页
资料软件
(下载)
云上资料软件
(下载)
在线表格
求职招聘
服务平台
那云知道
当前位置:
表格库
>
湖南
>
工业设备及管道
>
GB51036-2014 有色金属矿山井巷工程质量验收规范
>
8 井巷支护工程
>
8.4 混凝土支护工程
>
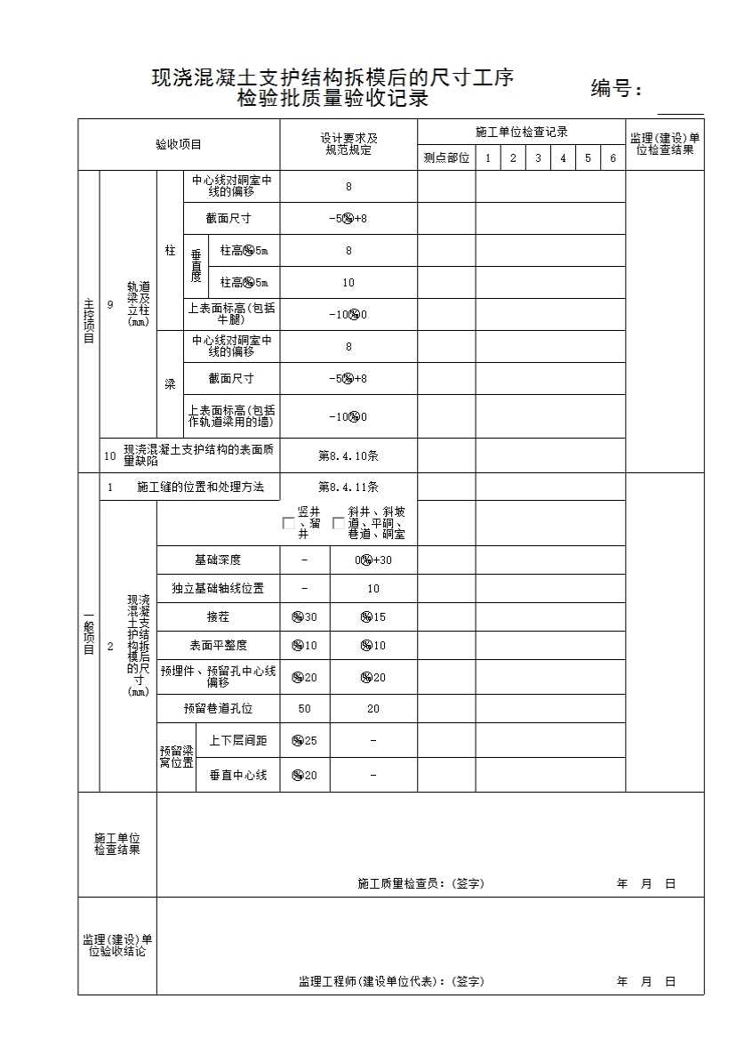
8.4-1 现浇混凝土支护结构拆模后的尺寸工序检验批质量验收记录
上级...
8.4-1 现浇混凝土支护结构拆模后的尺寸工序检验批质量验收记录
表格
填写规范
下载表格
点击领取首张表格excel
点击查看大图
点击查看大图
下载表格
点击领取首张表格excel
填写规范
8.4.12 现浇混凝土支护结构拆模后的尺寸允许偏差和检验方法应符合表8.4.12的规定。
检查数量:在同一验收批内,抽查数量不少于总数量的10 %。
×
下载表格
表格名称:8.4-1 现浇混凝土支护结构拆模后的尺寸工序检验批质量验收记录
所需N币:
N币
(我有
)N币)
您的N币不足,请先充值。
充值N币
充值N币
下载
取消
×
分享页面
QQ分享
空间分享
微信分享
微博分享