上级...

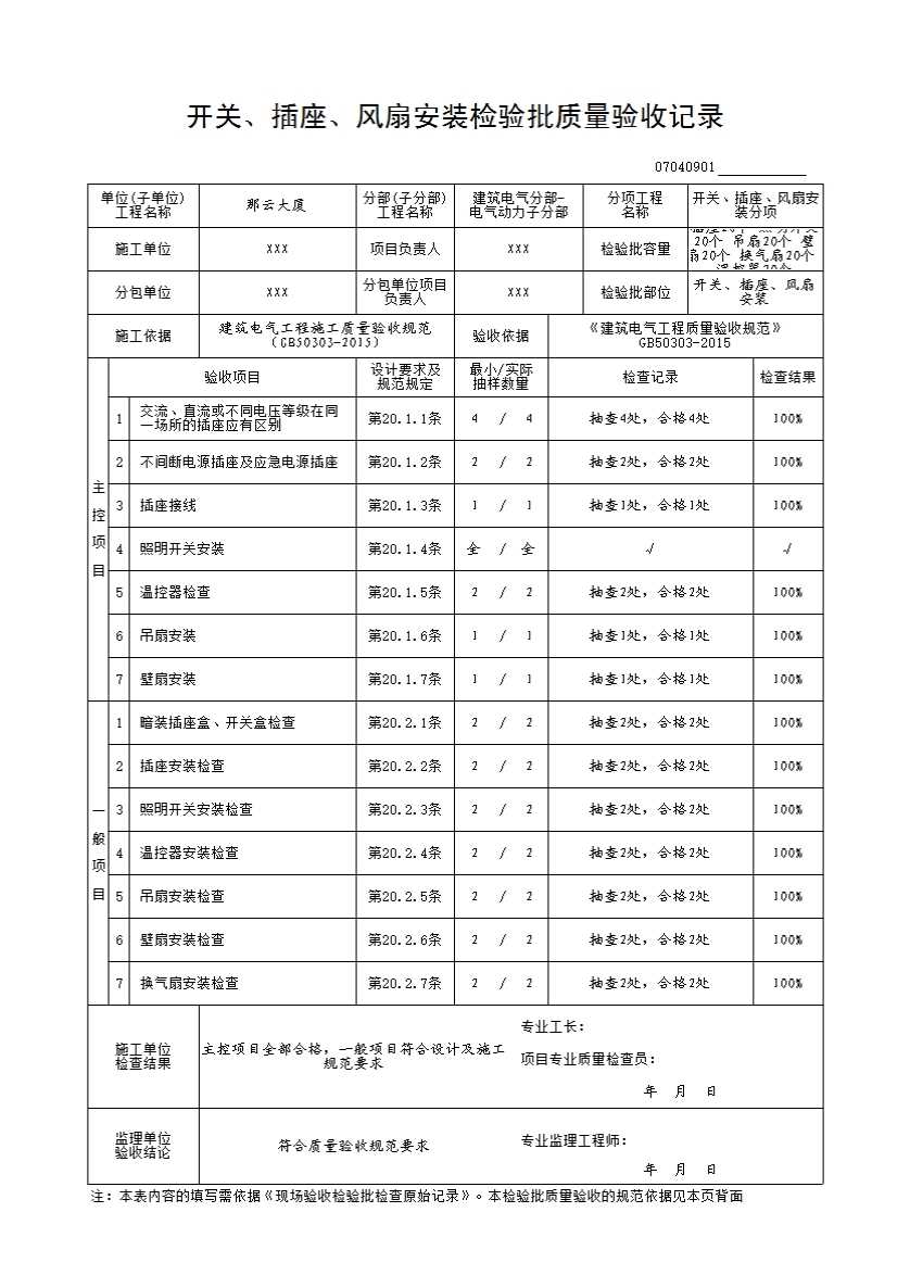
07040901 开关、插座、风扇安装检验批质量验收记录

填写规范


开关、插座、风扇安装检验批质量验收记录 

一、检验批划分:按施工段、变形缝划分;对于工程量较少的分项工程可统一划分为一个验收批。

20.1 主控项目

20.1.1 当交流、直流或不同电压等级的插座安装在同一场所时,应有明显的区别,插座不得互换;配套的插头应按交流、直流或不同电压等级区别使用。

检查数量:按每检验批的插座数量抽查20%,且不得少于1个。

检查方法:观察检查并用插头进行试插检查。

20.1.2 不间断电源插座及应急电源插座应设置标识。

检查数量:按插座总数抽查10%,且不得少于1套。

检查方法:观察检查。

20.1.3 插座接线应符合下列规定:

1 对于单相两孔插座,面对插座的右孔或上孔应与相线连接,左孔或下孔应与中性导体(N)连接,对于单相三孔插座,面对插座的右孔应与相线连接,左孔应与中性导体(N)连接。

2 单相三孔、三相四孔及三相五孔插座的保护接地导体(PE)应接在上孔;插座的保护接地导体端子不得与中性导体端子连接同一场所的三相插座,其接线的相序应一致。

3 保护接地导体(PE)在插座之间不得串联连接。

4 相线与中性导体(N)不应利用插座本体的接线端子转接供电。

检查数量:按每检验批的插座型号各抽查5%,且均不得少于1套。

检查方法:观察检查并用专用测试工具检查。

20.1.4 照明开关安装应符合下列规定:

1 同一建(构)筑物的开关宜采用同一系列的产品,单控开关的通断位置应一致,且应操作灵活、接触可靠;

2 相线应经开关控制;

3 紫外线杀菌灯的开关应有明显标识,并应与普通照明开关的位置分开。

检查数量:第3款全数检查,第1款和第2款按每检验批的开关数量抽查5%,且按规格型号各不得少于1套。

检查方法:观察检查、用电笔测试检查和手动开启开关检查。

20.1.5 温控器接线应正确,显示屏指示应正常,安装标高应符合设计要求。

检查数量:按每检验批的数量抽查10%,且不得少于1套。

检查方法:观察检查。

20.1.6 吊扇安装应符合下列规定:

1 吊扇挂钩安装应牢固,吊扇挂钩的直径不应小于吊扇挂销直径,且不应小于8 mm;挂钩销钉应有防振橡胶垫;挂销的防松零件应齐全、可靠。

2 吊扇扇叶距地高度不应小于2.5m。

3 吊扇组装不应改变扇叶角度,扇叶的固定螺栓防松零件应齐全。

4 吊杆间、吊杆与电机间螺纹连接,其啮合长度不应小于20mm,且防松零件应齐全紧固。

5 吊扇应接线正确,运转时扇叶应无明显颤动和异常声响。

6 吊扇开关安装标高应符合设计要求。

检查数量:按吊扇数量抽查5%,且不得少于1套。

检查方法:听觉检查、观察检查、尺量检查和卡尺检查。

20.1.7 壁扇安装应符合下列规定:

1 壁扇底座应采用膨胀螺栓或焊接固定,固定应牢固可靠;膨胀螺栓的数量不应少于3个,且直径不应小于8mm。

2 防护罩应扣紧、固定可靠,当运转时扇叶和防护罩应无明显颤动和异常声响。

检查数量:按壁扇数量抽查5%,且不得少于1套。

检查方法:听觉检查、观察检查和手感检查。

20.2 一般项目

20.2.1 暗装的插座盒或开关应与饰面平齐,盒内干净整洁,无锈蚀,绝缘导线不得裸露在装饰层内;面板应紧贴饰面、四周无缝隙、安装牢固,表面光滑、无碎裂、划伤,装饰帽(板)齐全。

检查数量:按每检验批的盒子数量抽查10%,且不得少于 1个。

检查方法:观察检查和手感检查。

20.2.2 插座安装应符合下列规定:

1 插座安装高度应符合设计要求,同一室内相同规格并列安装的插座高度宜一致;

2 地面插座应紧贴饰面,盖板应固定牢固、密封良好。

检查数量:按每个检验批的插座总数抽查10%,且按型号各不得少于1个。

检查方法:观察检查并用尺量和手感检查。

20.2.3 照明开关安装应符合下列规定:

1 照明开关安装高度应符合设计要求;

2 开关安装位置应便于操作,开关边缘距门框边缘的距离宜为0.15m~0.20m;

3 相同型号并列安装高度宜一致,并列安装的拉线开关的相邻间距不宜小于20mm。 

检查数量:按每检验批的开关数量抽查10%,且不得少于1个。

检查方法:观察检查并用尺量检查。

20.2.4 温控器安装高度应符合设计要求;同一室内并列安装的温控器高度宜一致,且控制有序不错位。

检查数量:按每检验批数量抽查10%,且不得少于1个。

检查方法:观察检查并用尺量检查。

20.2.5 吊扇安装应符合下列规定:

1 吊扇涂层应完整、表面无划痕、无污染,吊杆上、下扣碗安装应牢固到位;

2 同一室内并列安装的吊扇开关高度宜一致,并应控制有序、不错位。

检查数量:按吊扇数量抽查10%,且不得少于1套。

检查方法:观察检查,用尺量和手感检查。

20.2.6 壁扇安装应符合下列规定:

1 壁扇安装高度应符合设计要求;

2 涂层应完整、表面无划痕、无污染,防护罩应无变形。

检查数量:按壁扇数量抽查10%,且不得少于1套。

检查方法:观察检查并用尺量检查。

20.2.7 换气扇安装应紧贴饰面、固定可靠。无专人管理场所的换气扇宜设置定时开关。

检查数量:按换气扇数量抽查10%,且不得少于1套。

检查方法:观察检查和手感检查。 

示例