上级...

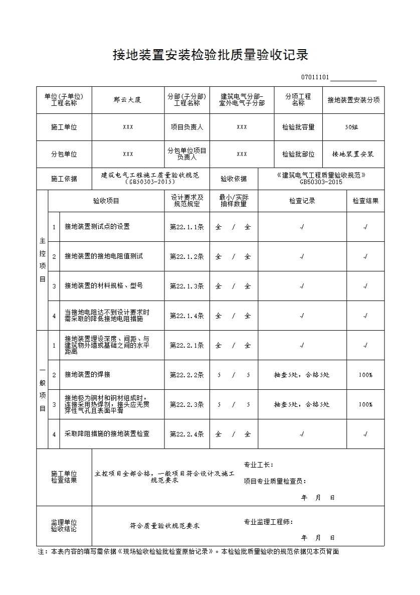
07011101 接地装置安装检验批质量验收记录

填写规范


接地装置安装检验批质量验收记录 

一、检验批划分按施工段、变形缝划分;对于工程量较少的分项工程可统一划分为一个检验批。

22.1 主控项目

22.1.1 接地装置在地面以上的部分,应按设计要求设置测试点,测试点不应被外墙饰面遮蔽,且应有明显标识。

检查数量:全数检查。

检查方法:观察检查。

22.1.2 接地装置的接地电阻值应符合设计要求。

检查数量:全数检查。

检查方法:用接地电阻测试仪测试,并查阅接地电阻测试记录。

22.1.3 接地装置的材料规格、型号应符合设计要求。

检查数量:全数检查。

检查方法:观察检查或查阅材料进场验收记录。

22.1.4 当接地电阻达不到设计要求需采取措施降低接地电阻时,应符合下列规定:

1 采用降阻剂时,降阻剂应为同一品牌的产品,调制降阻剂的水应无污染和杂物;降阻剂应均匀灌注于垂直接地体周围。

2 采取换土或将人工接地体外延至土壤电阻率较低处时,应掌握有关的地质结构资料和地下土壤、电阻率的分布,并应做好记录。

3 采用接地模块时,接地模块的顶面埋深不应小于0. 6m,接地模块间距不应小于模块长度的3倍-5倍。接地模块埋设基坑宜为模块外形尺寸的1. 2倍-1. 4倍,且应详细记录开挖深度内的地层情况;接地模块应垂直或水平就位,并应保持与原土层接触良好。

检查数量:全数检查。

检查方法:施工中观察检查,并查阅隐蔽工程检查记录及相关记录。

22.2  一般项目

22.2.1 当设计无要求时,接地装置顶面埋设深度不应小于0. 6m,且应在冻土层以下。圆钢、角钢、钢管、铜棒、铜管等接地极应垂直埋入地下,间距不应小于5m;人工接地体与建筑物的外墙或基础之间的水平距离不宜小于1m。

检查数量:全数检查。

检查方法:施工中观察检查并用尺量检查,查阅隐蔽工程检查记录。

22.2.2 接地装置的焊接应采用搭接焊,除埋设在混凝土中的焊接接头外,应采取防腐措施,焊接搭接长度应符合下列规定:

1 扁钢与扁钢搭接不应小于扁钢宽度的2倍,且应至少三面施焊;

2 圆钢与圆钢搭接不应小于圆钢直径的6倍,且应双面施焊;

3 圆钢与扁钢搭接不应小于圆钢直径的6倍,且应双面施焊;

4 扁钢与钢管,扁钢与角钢焊接,应紧贴角钢外侧两面,或紧贴3/4钢管表面,上下两侧施焊。

检查数量:按不同搭接类别各抽查10%,且均不得少于1处。

检查方法:施工中观察检查并用尺量检查,查阅相关隐蔽工程检查记录。

22.2.3 当接地极为铜材和钢材组成,且铜与铜或铜与钢材连接采用热剂焊时,接头应无贯穿性的气孔且表面平滑。

检查数量:按焊接按头总数量抽查10%,且不得少于1个。

检查方法:观察检查并查阅施工记录。

22.2.4 采取降措施的接地装置应符合下列规定:

1 接地装置应被降阻剂或低电阻率土壤所包覆;

2 接地模块应集中引线,并应采用于线将接地模块并联焊接成一个环路,干线的材质应与接地模块焊接点的材质相同,钢制的采用热浸镀锌材料的引出线不应少于2处。

检查数量:全数检查。

检查方法:观察检查,并查阅隐蔽工程检查记录。 

示例