上级...

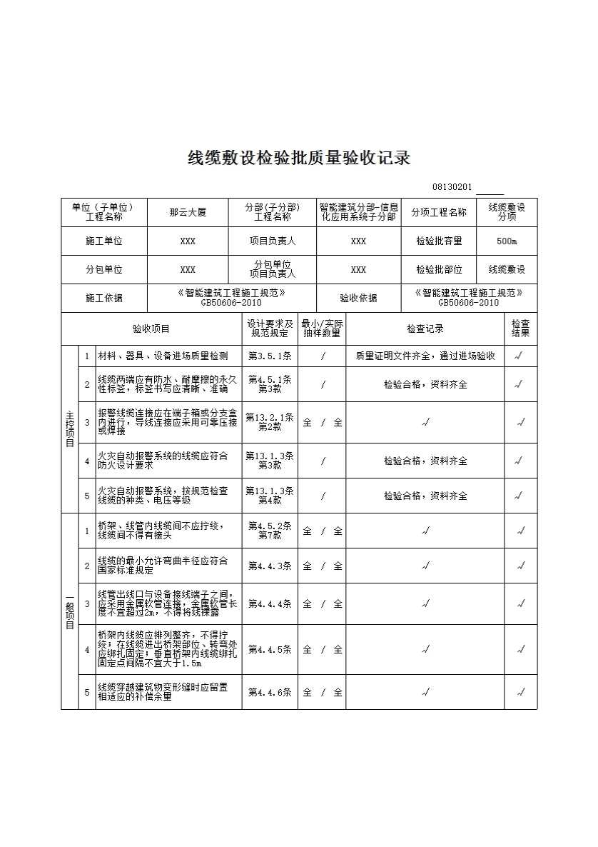
08130201_线缆敷设检验批质量验收记录

填写规范


线缆敷设检验批质量验收记录

一、检验批划分:按施工段、单元及系统划分;对于工程量较少的分项工程可统一划分为一个验收批。

二、主控项目

3.5.1 材料、器具、设备进场质量检测应符合下列规定:

1 需要进行质量检查的产品应包括智能建筑工程各子系统中使用的材料、硬件设备、软件产品和工程中应用的各种系统接口;列入中华人民共和国实施强制性产品认证的产品目录或实施生产许可证和上网许可证管理的产品应进行产品质量检查,未列入的产品也应按规定程序通过产品质量检测后方可使用;   

2 材料及主要设备的检测应符合规范规定:

1)按照合同文件和工程设计文件进行的进场验收,应有书面记录和参加人签字,并应经监理工程师或建设单位验收人员确认;

2)应对材料、设备的外观、规格、型号、数量及产地等进行检查复核;

3)主要设备、材料应有生产厂家的质量合格证明文件及性能的检测报告。

3 设备及材料的质量检查应包括安全性、可靠性及电磁兼容性等项目,并应由生产厂家出具相应检测报告。

4.5.1 主控项目应符合下列规定:

1 敷设在竖井内和穿越不同防火分的桥架及线管的孔洞,应有防火封堵;

2 桥架、线管经过建筑物的变形缝处应设置补偿装置,线缆应留余量;

3 线缆两端应有防水、耐摩擦的永久性标签,标签书写应清晰、准确;

4 桥架、线管及接线盒应可靠接地;当采用联合接地时,接地电阻不应大于1Ω。

13.2.1 桥架、管线敷设除应执行现行国家标准《火灾自动报警系统施工及验收规范》GB50166-2007第3.2节的规定和本规范第4章的规定外,尚应符合下列规定:

1 火灾自动报警系统的线缆应使用桥架和专用线管敷设;

2 报警线缆连接应在端子箱或分支盒内进行,导线连接应采用可靠压接或焊接;(3)桥架、金属线管应作保护接地。

13.1.3 材料与设备准备应符合下列规定:

1 火灾自动报警系统的主要设备和材料选用应符合设计要求,并应符合现行国家标准《火灾自动报警系统施工及验收规范》GB50166-2007第2.2节的规定;

2 火灾应急广播与广播系统共用一套系统时,广播系统共用的设备应是通过国家认证(认可)的产品,其产品名称、型号、规格应与检验报告一致;

3 桥架、线缆、钢管、金属软管、阻燃塑料管、防火涂料以及安装附件等应符合防火设计要求;

4 应根据现行国家标准《火灾自动报警系统设计规范》GB5016的有关规定,对线缆的种类、电压等级进行检查。

三、一般项目

4.5.2 一般项目应符合下列规定:

1 桥架切割和钻孔后,应采取防腐措施,支吊架应做防腐处理;

2 线管两端应设有标志,并应穿带线;

3 线管与控制箱、接线箱、拉线盒等连接时应采用锁母,线管、箱盒应固定牢固;

4 吊顶内配管,宜使用单独的支吊架固定,支吊架不得架设在龙骨或其他管道上;

5 套接紧定式钢管连接处应采取密封措施;

6 桥架应安装牢固、横平竖直,无扭曲变形;

7 桥架、线管内线缆间不应拧绞,线缆间不得有接头。

4.4.3 线缆的最小允许弯曲半径应符合现行国家标准《建筑电气工程施工质量验收规范》GB 50303-2002中表12.2.1-1的规定。

4.4.4 线管出线口与设备接线端子之间,应采用金属软管连接,金属软管长度不宜超过2m,不得将线裸露。

4.4.5 桥架内线缆应排列整齐,不得拧绞;在线缆进出桥架部位、转变处应绑扎固定;垂直桥架内线缆绑扎固定点间隔不宜大于1.5m。

4.4.6 线缆穿越建筑物变形缝时应留置相适应的补偿余量。

5.2.1 线缆敷设除应执行本规范第4.4节的规定外,尚应符合下列规定: 

1 线缆布放应自然平直,不应受外力挤压和损伤; 

2 线缆布放宜留不小于0.15mm余量; 

3 从配线架引向工作区各信息端口4对对绞电缆的长度不应大于90m; 

4 线缆敷设拉力及其它保护措施应符合产品厂家的施工要求; 

5 线缆弯曲半径宜符合下列规定: 

1)非屏蔽4对对绞电缆弯曲半径不宜小于电缆外径4倍; 

2)屏蔽4对对绞电缆弯曲半径不宜小于电缆外径8倍; 

3)主干对绞电缆弯曲半径不宜小于电缆外径10倍; 

4)光缆弯曲半径不宜小于光缆外径10倍。 

6 线缆间净距应符合国家标准《综合布线系统工程验收规范》GB50312-2007第5.1.1条的规定。 

7 室内光缆桥架内敷设时宜在绑扎固定处加装垫套。 

8 线缆敷设施工时,现场应安装稳固的临时线号标签,线缆上配线架、打模块前应安装永久号标签。 

9 线缆经过桥架、管线拐弯处,应保证线缆紧贴底部,且不应悬空、不受牵引力。在桥架的拐弯处应采取绑扎或其他形式固定。 

10 距信息点最近的一个过线盒穿线时应宜留有不小于0.15mm的余量。

示例