上级...

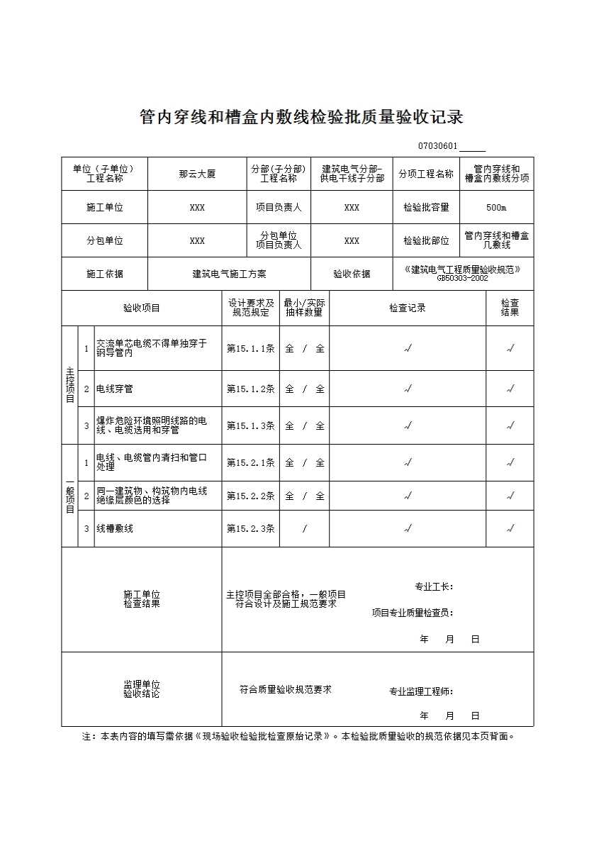
07030601_管内穿线和槽盒内敷线检验批质量验收记录

填写规范


管内穿线和槽盒内敷线检验批质量验收记录

一、检验批划分

按施工段、变形缝划分;对于工程量较少的分项工程可统一划分为一个验收批。

二、主控项目

15.1.1 三相或单相的交流单芯电缆,不得单独穿于钢导管内。

15.1.2 不同回路、不同电压等级和交流与直流的电线,不应穿于同一导管内;同一交流回路的电线应穿于同一金属导管内,且管内电线不得有接头。

15.1.3 爆炸危险环境照明线路的电线和电缆额定电压不得低于750V,且电线必须穿于钢导管内。

三、一般项目

15.2.1 电线、电缆穿管前,应清除管内杂物和积水。管口应有保护措施,不进入接线盒(箱)的垂直管口穿入电线、电缆后,管口应密封。

15.2.2 当采用多相供电时,同一建筑物、构筑物的电线绝缘层颜色选择应一致,即保护地线(PE线)应是黄绿相间色,零线用淡蓝色;相线用:A相——黄色、B相—绿色、C相——红色。

15.2.3 线槽敷线应符合下列规定:

1 电线在线槽内有一定余量,不得有接头。电线按回路编号分段绑扎,绑扎点间距不应大于2m;

2 同一回路的相线和零线,敷设于同一金属线槽内;

3 同一电源的不同回路无抗干扰要求的线路可敷设于同一线槽内;敷设于同一线槽内有抗干扰要求的线路用隔板隔离,或采用屏蔽电线且屏蔽护套一端接地。

示例