|
云上资料软件
登录
/
注册
免费注册
登录
首页
软件下载
购买
首页
资料软件
(下载)
云上资料软件
(下载)
在线表格
求职招聘
服务平台
那云知道
当前位置:
表格库
>
湖南
>
电力电网
>
输变电工程建设标准强制性条文实施管理规程(2016)
>
第三部分 变电(换流)站建筑工程施工
>
附录J (规范性附录)消防工程强制性条文引用表
>
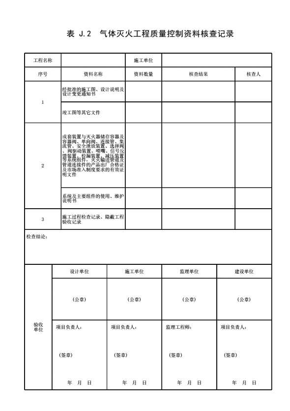
表J.2 气体灭火工程质量控制资料核查记录
上级...
表J.2 气体灭火工程质量控制资料核查记录
表格
下载表格
点击领取首张表格excel
点击查看大图
下载表格
点击领取首张表格excel
×
下载表格
表格名称:表J.2 气体灭火工程质量控制资料核查记录
所需N币:
N币
(我有
)N币)
您的N币不足,请先充值。
充值N币
充值N币
下载
取消
×
分享页面
QQ分享
空间分享
微信分享
微博分享