上级...

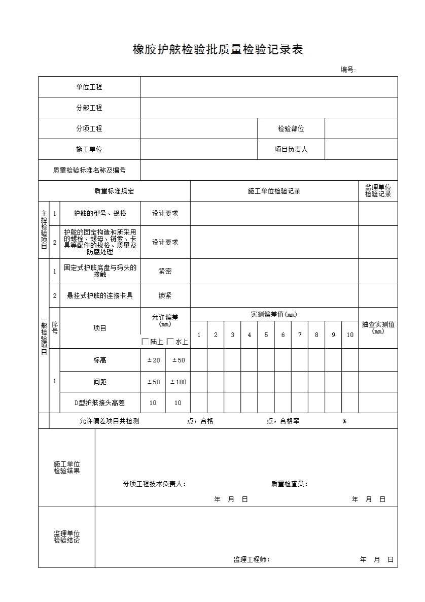
橡胶护舷检验批质量检验记录表

填写规范


主要检验项目
2. 8. 4. 1 护舷的型号、 规格应满足设计要求, 并应符合现行行业标准《橡胶护舷》(HG/T2866) 等的有关规定。 检验数量: 施工单位、 监理单位全数检验。 检验方法: 检查出厂质量证明文件并观察检查。 充气橡胶护舷应做气密性试验。
2. 8. 4. 2 护舷的固定构造和所采用的螺栓、 螺母、 链索、 卡具等配件的规格、 质量及防腐处理应满足设计要求。

检验数量: 施工单位、 监理单位全部检验。 

检验方法: 检查出厂质量证明文件和验收记录。

一般检验项目
2. 8. 4. 3 固定式护舷底盘与码头的接触应紧密。 螺母应满扣拧紧, 螺栓应外露 2~3 扣,螺栓顶端应缩进护舷内, 深度应满足设计要求。
检验数量: 施工单位全数检验, 监理单位抽查 10%且不少于 3 件。
检验方法: 观察检查并拧试。

2. 8. 4. 4 悬挂式护舷的连接卡具应锁紧。

 检验数量: 施工单位全数检验, 监理单位抽查 10%且不少于 3 件。 

检验方法: 观察检查。

2. 8. 4. 5 橡胶护舷安装的允许偏差、 检验数量和方法应符合表 2. 8. 4. 5 的规定