|
云上资料软件
登录
/
注册
免费注册
登录
首页
软件下载
购买
首页
资料软件
(下载)
云上资料软件
(下载)
在线表格
求职招聘
服务平台
那云知道
当前位置:
表格库
>
湖北
>
市政
>
武汉市实施新版《建设工程监理规范》GBT 50319-2013
>
D类表 工程监理单位工作记录
>
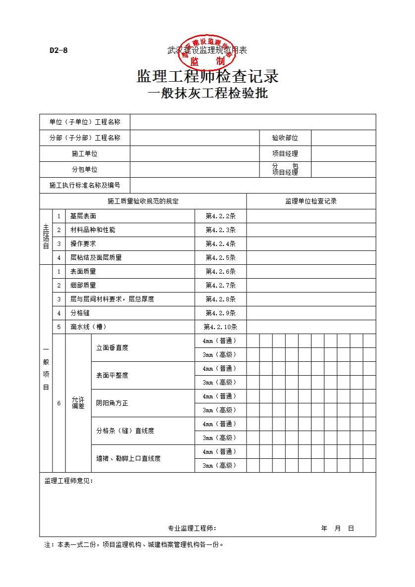
D2-8 一般抹灰检验批监理工程师检查记录
上级...
D2-8 一般抹灰检验批监理工程师检查记录
表格
下载表格
点击领取首张表格excel
点击查看大图
下载表格
点击领取首张表格excel
×
下载表格
表格名称:D2-8 一般抹灰检验批监理工程师检查记录
所需N币:
N币
(我有
)N币)
您的N币不足,请先充值。
充值N币
充值N币
下载
取消
×
分享页面
QQ分享
空间分享
微信分享
微博分享