|
云上资料软件
登录
/
注册
免费注册
登录
首页
软件下载
购买
首页
资料软件
(下载)
云上资料软件
(下载)
在线表格
求职招聘
服务平台
那云知道
当前位置:
表格库
>
湖北
>
工业设备及管道
>
油气田地面建设工程(项目)竣工验收手册一(2017年修订版)
>
C类文件
>
6 球罐制造安装工程表格
>
QG-01 球罐交工验收证书
上级...
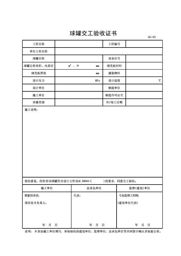
QG-01 球罐交工验收证书
表格
下载表格
点击领取首张表格excel
点击查看大图
下载表格
点击领取首张表格excel
×
下载表格
表格名称:QG-01 球罐交工验收证书
所需N币:
N币
(我有
)N币)
您的N币不足,请先充值。
充值N币
充值N币
下载
取消
×
分享页面
QQ分享
空间分享
微信分享
微博分享