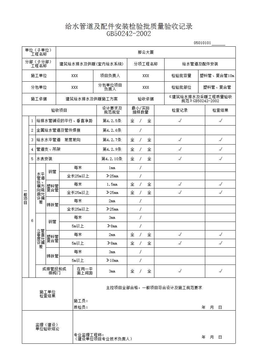
给水管道及配件安装检验批质量验收记录
一、检验批划分
按设计系统、楼层、施工段或分部分项划为检验批。
二、主控项目
4.2.1 室内给水管道的水压试验必须符合设计要求。当设计未注明时,各种材质的给水管道系统试验压力均为工作压力的1.5倍,但不得小于0.6MPa。
检验方法:金属及复合管给水管道系统在试验压力下观测10min,压力降不应大于0.02MPa,然后降到工作压力进行检查,应不渗不漏;塑料管给水系统应在试验压力下稳压1h,压力降不得超过0.05MPa,然后在工作压力的1.15 倍状态下稳压2h,压力降不得超过0.03MPa,同时检查各连接处不得渗漏。
4.2.2 给水系统交付使用前必须进行通水试验并做好记录。
检验方法:观察和开启阀门、水嘴等放水。
4.2.3 生产给水系统管道在交付使用前必须冲洗和消毒,并经有关部门取样检验,符合国家《生活饮用水标准》方可使用。
检验方法:检查有关部门提供的检测报告。
4.2.4 室内直埋给水管道(塑料管道和复合管道除外)应做防腐处理。埋地管道防腐层材质和结构应符合设计要求。
检验方法:观察或局部解剖检查。
三、一般项目
4.2.5 给水引入管与排水排出管的水平净距不得小于1m。室内给水与排水管道平行敷设时,两管间的最小水平净距不得小于0.5m;交叉铺设时,垂直净距不得小于0.15m。给水管应铺在排水管上面,若给水管必须铺在排水管的下面时,给水管应加套管,其长度不得小于排水管管径的3倍。
检验方法:尺量检查。
4.2.6 管道及管件焊接的焊缝表面质量应符合下列要求:
1焊缝外形尺寸应符合图纸和工艺文件的规定,焊缝高度不得低于母材表面,焊缝与母材应圆滑过渡。
2焊缝及热影响区表面应无裂纹、未熔合、未焊透、夹渣、弧坑和气孔等缺陷。
检验方法:观察检查。
4.2.7 给水水平管道应有2‰~5‰的坡度坡向泄水装置。
检验方法:水平尺和尺量检查。
4.2.8 给水管道和阀门安装的允许偏差应符合表4.2.8的规定。
表4.2.8管道和阀门安装的允许偏差和检验方法
|
项次 |
项目 |
允许偏差 (mm) |
检验方法 |
||
|
1 |
水平管道纵横方向弯曲 |
钢管 |
每米 全长25m 以上 |
1 ≯25 |
用水平尺、直尺、拉线 和尺量检查 |
|
塑料管复合管 |
每米 全长25m 以上 |
1.5 ≯25 |
|||
|
铸铁管 |
每米 全长25m 以上 |
2 ≯25 |
|||
|
2 |
立管垂直度 |
钢管 |
每米 5m 以上 |
3 ≯8 |
吊线和尺量检查 |
|
塑料管复合管 |
每米 5m 以上 |
2 ≯8 |
|||
|
铸铁管 |
每米 5m 以上 |
3 ≯10 |
|||
|
3 |
成排管段和成排阀门 |
在同一平面上间距 |
3 |
尺量检查 |
|
4.2.9 管道的支、吊架安装应平整牢固,其间距应符合本规范第3.3.8条、第3.3.9条或第3.3.10条的规定。
3.3.8 钢管水平安装的支、吊架间距不应大于表3.3.8的规定
表3.3.8 钢管管道支架的最大间距
|
公称直径(mm) |
15 |
20 |
25 |
32 |
40 |
50 |
70 |
80 |
100 |
125 |
150 |
200 |
250 |
300 |
|
|
支架的最大间距(m) |
保温管 |
2 |
2.5 |
2.5 |
2.5 |
3 |
3 |
4 |
4 |
4.5 |
6 |
7 |
7 |
8 |
8.5 |
|
不保温管 |
2.5 |
3 |
3.5 |
4 |
4.5 |
5 |
6 |
6 |
6.5 |
7 |
8 |
9.5 |
11 |
12 |
|
3.3.9 采暖、给水及热水供应系统的塑料管及复合管垂直或水平安装的支架间距应符合表3.3.9的规定。采用金属制作的管道支架、应在管道与支架间加衬非金属垫或套管。
表3.3.9 塑料管及复合管管道支架的最大间距
|
管径(mm) |
12 |
14 |
16 |
18 |
20 |
25 |
32 |
40 |
50 |
63 |
78 |
90 |
110 |
||
|
最大间距(m) |
立管 |
0.5 |
0.6 |
0.7 |
0.8 |
0.9 |
1.0 |
1.1 |
1.3 |
1.6 |
1.8 |
2.0 |
2.2 |
2.4 |
|
|
水平管 |
冷水管 |
0.4 |
0.4 |
0.5 |
0.5 |
0.6 |
0.7 |
0.8 |
0.9 |
1.0 |
1.1 |
1.2 |
1.35 |
1.55 |
|
|
热水管 |
0.2 |
0.2 |
0.25 |
0.3 |
0.3 |
0.35 |
0.4 |
0.5 |
0.6 |
0.7 |
0.8 |
|
|
||
3.3.10 铜管垂直或水平安装的支架间距应符合表3.3.10的规定
表3.3.10 铜管管道支架的最大间距
|
公称直径(mm) |
15 |
20 |
25 |
32 |
40 |
50 |
65 |
80 |
100 |
125 |
150 |
200 |
|
|
支架的最大间距(m) |
垂直管 |
1.8 |
2.4 |
2.4 |
3.0 |
3.0 |
3.0 |
3.5 |
3.5 |
3.5 |
3.5 |
4.0 |
4.0 |
|
水平管 |
1.2 |
1.8 |
1.8 |
2.4 |
2.4 |
2.4 |
3.0 |
3.0 |
3.0 |
3.0 |
3.5 |
3.5 |
|
检验方法:观察、尺量及手扳检查。
4.2.10水表应安装在便于检修、不受曝晒、污染和冻结的地方。安装螺翼式水表,表前与阀门应有不小于8倍水表接口直径的直线管段。表外壳距墙表面净距为10~30mm;水表进水口中心标高按设计要求,允许偏差为±10mm。
检验方法:观察和尺量检查。
4.4.8 管道及设备保温层的厚度和平整度的允许偏差应符合表4.4.8的规定。
表4.4.8 管道及设备保温的允许偏差和检验方法
|
项次 |
项 目 |
允许偏差 (mm) |
检验方法 |
|
|
1 |
厚 度 |
十0.1δ 一0.05δ |
用钢针刺人 |
|
|
2 |
表 面 |
卷 材 |
5 |
用2m靠尺和楔形塞尺检查; |
|
平整度 |
涂 抹 |
10 |
|
|
注:δ为保温层厚度。