|
云上资料软件
登录
/
注册
免费注册
登录
首页
软件下载
购买
首页
资料软件
(下载)
云上资料软件
(下载)
在线表格
求职招聘
服务平台
那云知道
当前位置:
表格库
>
湖北
>
房建
>
湖北省建筑工程资料管理系统(08版库)
>
1 武汉市市政基础设施工程施工统一规定用表
>
3、施工试验、检验报告、记录用表
>
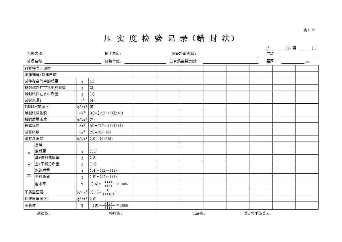
表3-12 压实度检验记录(蜡封法)
上级...
表3-12 压实度检验记录(蜡封法)
表格
下载表格
点击领取首张表格excel
点击查看大图
下载表格
点击领取首张表格excel
×
下载表格
表格名称:表3-12 压实度检验记录(蜡封法)
所需N币:
N币
(我有
)N币)
您的N币不足,请先充值。
充值N币
充值N币
下载
取消
×
分享页面
QQ分享
空间分享
微信分享
微博分享