铝合金面板制作检验批质量验收记录
本表适用于铝合金面板的制作和现场施工安装工程质量验收。
一、检验批划分
应按变形缝、施工段、轴线等划分为一个或若干个检验批。
二、主控项目
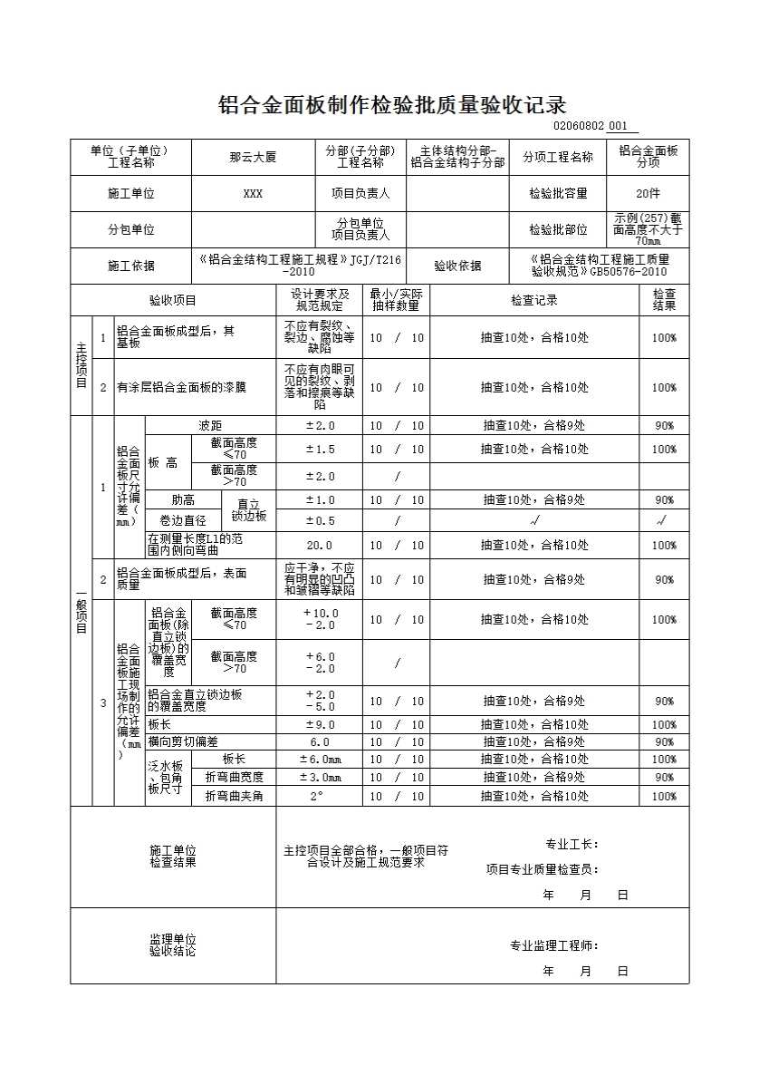
12.2.1 铝合金面板成型后,其基板不应有裂纹、裂边、腐蚀等缺陷。
检查数量:按计件数抽查5%,且不少于10件。
检验方法:观察和用10倍放大镜检查。
12.2.2 有涂层铝合金面板的漆膜不应有肉眼可见的裂纹、剥落和擦痕等缺陷。
检查数量:按计件数抽查5%,且不少于10件。
检验方法:观察检查。
三、一般项目
12.2.3 铝合金面板的尺寸允许偏差应符合表12.2.3的规定。
检查数量:按计件数抽查5%,且不少于10件。
检验方法:用拉线和钢尺检查。
表12.2.3 铝合金面板的尺寸允许偏差(mm)
|
检查项目 |
允许偏差 |
||
|
波距 |
±2.0 |
||
|
板 高 |
压型板 |
截面高度小于等于70 |
±1.5 |
|
截面高度大于70 |
±2.0 |
||
|
肋 高 |
直立锁边板 |
|
±1.0 |
|
卷边直径 |
±0.5 |
||
|
侧向弯曲 |
在测量长度Ll 的范围内 |
20.0 |
|
注:1 Ll为测量长度;
2 当板长大于10m时,扣除两端各0.5m后任选10m长度测量;
3 当板长小于等于10m时,扣除两端各0.5m后按实际长度测量。
12.2.4 铝合金面板成型后,表面应干净,不应有明显的凹凸和皱褶等缺陷。
检查数量:按计件数抽查5%,且不少于10件。
检验方法:观察检查。
12.2.5 铝合金面板施工现场制作的允许偏差应符合表12.2.5的规定。
检查数量:按计件数抽查5%,且不少于10件。
检验方法:用钢尺、角尺检查。
表12.2.5 铝合金面板施工现场制作的允许偏差
|
项 目 |
允许偏差 |
|
|
铝合金面板(除直立锁边板)的 覆盖宽度 |
截面高度小于等于70 |
+10.0mm -2.0mm |
|
截面高度大于70 |
+6.0mm -2.0mm |
|
|
铝合金直立锁边板的覆盖宽度 |
+2.0mm -5.0mm |
|
|
板 长 |
±9.0mm |
|
|
横向剪切偏差 |
6.0mm |
|
|
泛水板、包角板尺寸 |
板 长 |
±6.0mm |
|
折弯曲宽度 |
±3.0mm |
|
|
折弯曲夹角 |
2o |
|