上级...

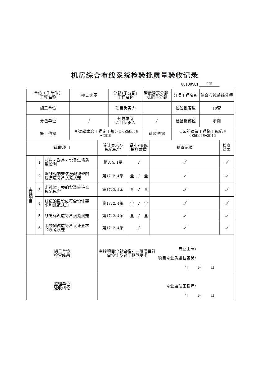
08180501_机房综合布线系统检验批质量验收记录

填写规范


机房综合布线系统检验批质量验收记录

一、检验批划分检验批的划分按施工段、单元及系统划分,对与分项工程可统一划分为一个检验批。

二、主控项目

3.5.1 材料、器具、设备进场质量检测:应符合下列规定:

1 需要进行质量检查的产品应包括智能建筑工程各子系统中使用的材料、硬件设备、软件产品和工程中应用的各种系统接口;列入中华人民共和国实施强制性产品认证的产品目录或实施生产许可证和上网许可证管理的产品应进行产品质量检查,未列入的产品也应按规定程序通过产品质量检测后方可使用。

2 材料及主要设备的检测应符合下列规定:

1)按照合同文件和工程设计文件进行的进场验收,应有书面记录和参加人签字,并应经监理工程师或建设单位验收人员确认;

2)应对材料、设备的外观、规格、型号、数量及产地等进行检查复核;

3)主要设备、材料应有生产厂家的质量合格证明文件及性能的检测报告。

3 设备及材料的质量检查应包括安全性、可靠性及电磁兼容性等项目,并应由生产厂家出具相应检测报告。

17.2.4 综合布线系统工程的施工应执行国家标准《电子信息系统机房施工及验收规范》GB50462-2008第7章和本规范第5章的规定。

示例