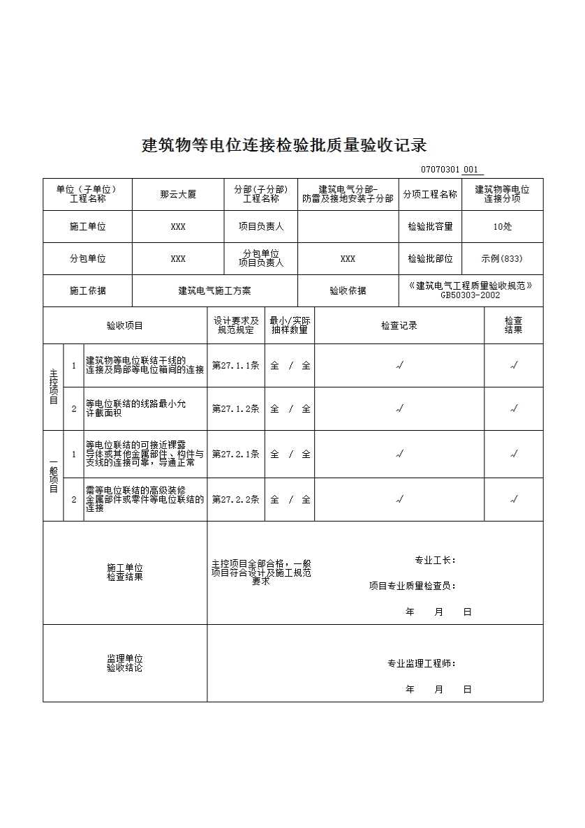
建筑物等电位连接检验批质量验收记录
一、检验批划分
按施工段、变形缝划分;对于工程量较少的分项工程可统一划分为一个验收批。
二、主控项目
27.1.1 建筑物等电位联结干线应从与接地装置有不少于2处直接连接的接地干线或总等电位箱引出,等电位联结干线或局部等电位箱间的连接线形成环形网路,环形网路应就近与等电位联结干线或局部等电位箱连接。支线间不应串联连接。
27.1.2 等电位联结的线路最小允许截面应符合表27.1.2的规定:
表27.1.2线路最小允许截面(mm2)
|
材料 |
截面 |
|
|
干线 |
支线 |
|
|
铜 |
16 |
6 |
|
钢 |
50 |
16 |
三、一般项目
27.2.1 等电位联结的可接近裸露导体或其他金属部件、构件与支线连接应可靠,熔焊、钎焊或机械紧固应导通正常。
27.2.2 需等电位联结的高级装修金属部件或零件,应有专用接线螺栓与等电位联结支线连接,且有标识;连接处螺帽紧固、防松零件齐全。