|
云上资料软件
登录
/
注册
免费注册
登录
首页
软件下载
购买
首页
资料软件
(下载)
云上资料软件
(下载)
在线表格
求职招聘
服务平台
那云知道
当前位置:
表格库
>
河南
>
人防
>
人民防空工程质量验收与评价标准(RFJ01-2015)
>
工程质量评价
>
2.5 分部工程观感质量评分
>
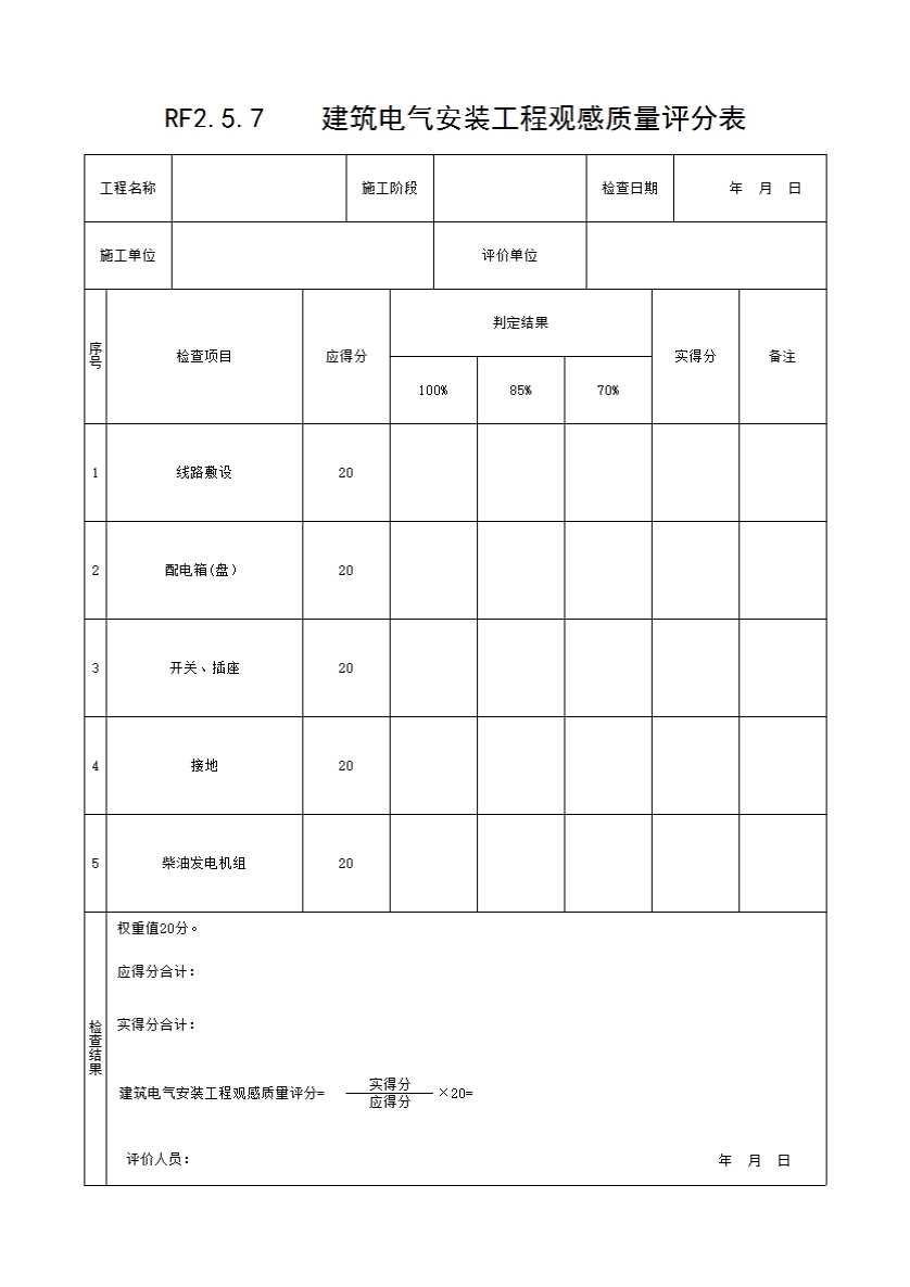
2.5.7 建筑电气安装工程
上级...
2.5.7 建筑电气安装工程
表格
下载表格
点击领取首张表格excel
点击查看大图
下载表格
点击领取首张表格excel
×
下载表格
表格名称:2.5.7 建筑电气安装工程
所需N币:
N币
(我有
)N币)
您的N币不足,请先充值。
充值N币
充值N币
下载
取消
×
分享页面
QQ分享
空间分享
微信分享
微博分享