|
云上资料软件
登录
/
注册
免费注册
登录
首页
软件下载
购买
首页
资料软件
(下载)
云上资料软件
(下载)
在线表格
求职招聘
服务平台
那云知道
当前位置:
表格库
>
河南
>
公路
>
公路工程建设项目管理用表(第二版)
>
第五章 试验检验记录用表(D表)
>
公路工程集料试验用表
>
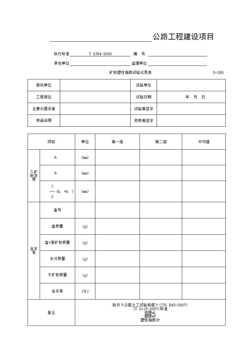
D-280 矿粉塑性指数试验记录表
上级...
D-280 矿粉塑性指数试验记录表
表格
下载表格
点击领取首张表格excel
点击查看大图
下载表格
点击领取首张表格excel
×
下载表格
表格名称:D-280 矿粉塑性指数试验记录表
所需N币:
N币
(我有
)N币)
您的N币不足,请先充值。
充值N币
充值N币
下载
取消
×
分享页面
QQ分享
空间分享
微信分享
微博分享