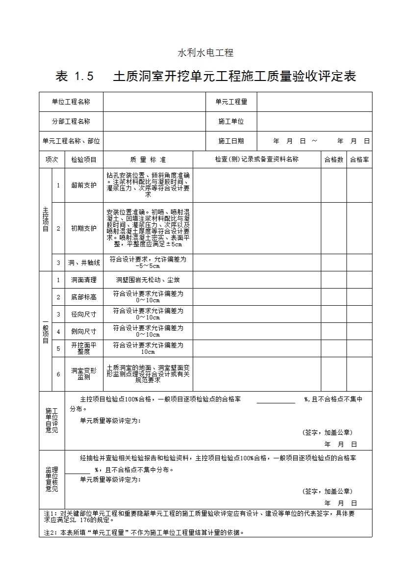
表 1.5 土质洞室开挖单元工程施工质量验收评定表
填表说明
填表时必须遵守“填表基本规定”,并符合以下要求。1.本表适用于土质洞室、砂砾石洞室开挖。对岩石过渡段洞室,岩石洞室的软弱岩层、断层及构造破碎带段洞室等,可参照执行。2.单元工程划分:以施工检查验收的区、段、块划分,每一个施工检查验收的区、段、块(仓),划分为一个单元工程。3.单元工程量:填写本单元开挖工程量(m³)。
4.检验(测)方法及数量。
|
检 验 项 目 |
检 验 方 法 |
检 验 数 量 |
|
超前支护 |
观察、量测、查阅施工记录 |
每个单元抽检3处,每处每项不少于3个点 |
|
初期支护 |
观察、量测、喷射面插标尺 |
每个单元抽检3~5处 |
|
洞、井轴线 |
测量、查阅施工记录 |
全数检查 |
|
洞面清理 |
测量、查阅施工记录 |
全数检查 |
|
底部标高 |
激光指向仪、断面仪、经纬 仪、水准仪以及拉线检查 |
采用横断面控制,间距不大于5m,各横断面点数间距不大于2m,局部突出或凹陷部位(面积在0.5㎡以上者)应增设检测点 |
|
径向尺寸 |
||
|
侧向尺寸 |
||
|
开挖面平整度 |
||
|
洞室变形监测 |
观察、测量、查阅观测记录 |
全数观测。根据围岩变形稳定情况确定观测频次,但每天不少于2次 |
5.单元工程施工质量验收评定应包括下列资料。(1)施工单位应提交单元工程中所含工序(或检验项目)验收评定的检验资料,各项实体检验项目的检验记录资料。(2)监理单位应提交对单元工程施工质量的平行检验资料。
6.单元工程质量标准。(1)合格标准。1)主控项目,检验结果应全部符合SL631的要求。2)一般项目,逐项应有70%及以上的检验点合格,且不合格点不应集中。3)各项报验资料应符合SL631的要求。(2)优良标准。1)主控项目,检验结果应全部符合SL631的要求。2)一般项目,逐项应有90%及以上的检验点合格,且不合格点不应集中。3)各项报验资料应符合SL631的要求。