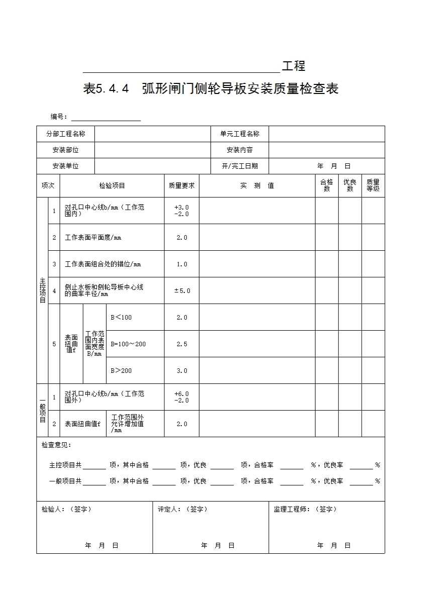
表5.4.4 弧形闸门侧轮导板安装质量检查表填表要求
填表时必须遵守“填表基本规定”,并应符合下列要求:
1.分部工程、单元工程名称填写应与表5.4相同。
2.检验部位如图 E-12 所示。
3.单元工程安装质量检验项目质量标准:
(1)合格等级标准:
1)主控项目,检测点应100%符合合格标准。
2)一般项目,检查点应90%及以上符合合格标准,不合格点最大值不应超过其允许偏差值的1.2倍,且不合格点不应集中。
(2)优良等级标准:在合格等级标准基础上,主控项目和一般项目的所有检测点应90%及以上符合优良标准。
4.表中数值为允许偏差值。