|
云上资料软件
登录
/
注册
免费注册
登录
首页
软件下载
购买
首页
资料软件
(下载)
云上资料软件
(下载)
在线表格
求职招聘
服务平台
那云知道
当前位置:
表格库
>
黑龙江
>
房建
>
《黑龙江省建筑工程资料管理标准》DB23T 1019-2020
>
C 施工资料
>
C4 施工物资资料
>
C4-3 进场复试报告
>
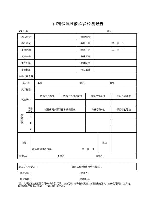
C4-3-34 门窗保温性能检验检测报告
上级...
C4-3-34 门窗保温性能检验检测报告
表格
下载表格
点击领取首张表格excel
点击查看大图
下载表格
点击领取首张表格excel
×
下载表格
表格名称:C4-3-34 门窗保温性能检验检测报告
所需N币:
N币
(我有
)N币)
您的N币不足,请先充值。
充值N币
充值N币
下载
取消
×
分享页面
QQ分享
空间分享
微信分享
微博分享