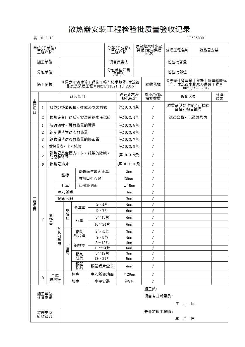
散热器安装工程检验批施工质量验收
一、检验批可按楼层、施工段、变形缝划分。
二、主控项目
10.3.3 散热器的质量应符合国家、行业、地方有关标准的规定,散热器安装应符合设计要求。
检验方法:按设计图纸要求对照相关技术标准检查,检查出厂合格证、检测报告。
10.3.4 散热器组对后,以及整组出厂的散热器在安装之前均应做水压试验。
检查数量:全数检查。
检查方法:试验压力如设计无要求时应为工作压力的1.5倍,但不小于0.6MPa。
三、一般项目
10.3.5 灰铸铁柱翼型散热器的翼翅应完整。每组散热器背面掉翅数不得多于两处,且每处长不得超过50mm。
检查数量:全数检查。
检验方法:观察或用尺量检查。
10.3.6 钢制翅片管对流散热器,其翅片的间距,翅片高度和翅片倾伏角及高频焊翅片未连续的焊接长度,均应符合产品标准的规定。且翅片完好,无松动和翘曲。
检查数量:抽查全数的5%,但不少于10组。
检验方法:对照产品说明书观察和尺量检查。
10.3.7 铜管铝片对流散热器的饰面外罩应完整,且无严重划伤和凹凸不平等缺陷。前后面和两侧罩板的连接应严密不漏风,顶部格栅板启动灵活。
检查数量:不少于10组。
检验方法:观察和手扳检查。
10.3.8 散热器支、卡、托架的安装,位置应正确,埋设牢固。卡、托架固定在轻质墙体时,应采取相应措施进行固定,其支、卡、托架的数量应符合设计和表10.3.8的规定。

检查数量:各不少于10组。
检验方法:观察和手扳检查。
10.3.9 散热器及金属支、卡、托架防腐、涂漆前应除掉散热器、支卡托架表面的污垢和锈斑。所用油漆种类和色泽及涂刷遍数,均应符合设计要求,且漆膜厚度均匀、附着良好,无脱皮起泡和漏涂。
检查数量:按散热器数各抽查5%,但不应少于10组。
检验方法:观察检查。
10.3.10 组对散热器垫片应使用成品,组对后垫片外露不应大于1mm。散热器垫片材质当设计无要求时,应采用石棉橡胶。
检验方法:观察和尺量检查。
10.3.11 散热器背面与装饰后的墙内表面安装距离,应符合设计要求和产品说明书要求,如设计无要求时,应为30mm。散热器安装允许偏差应符合表10.3.13规定。
检查数量:散热器全数的5%,但不应少于10组。
检验方法:坐标、标高用水平尺、直尺拉线和尺量检查。中心线垂直和侧面倾斜,吊线和尺量检查。全长内平直,拉线和尺量检查。
10.3.12 金属辐射板安装允许偏差应符合表10.3.13规定。
检查数量:金属辐射板,抽查全数的1/5,但不应少于5组。
检验方法:标高,尺量检查。坡度,用水平尺、直尺拉线和尺量检查。