压型金属板工程检验批施工质量验收
一、压型金属板的制作和安装工程可按变形缝、楼层、施工段或屋面、墙面、楼面等划分。
二、主控项目
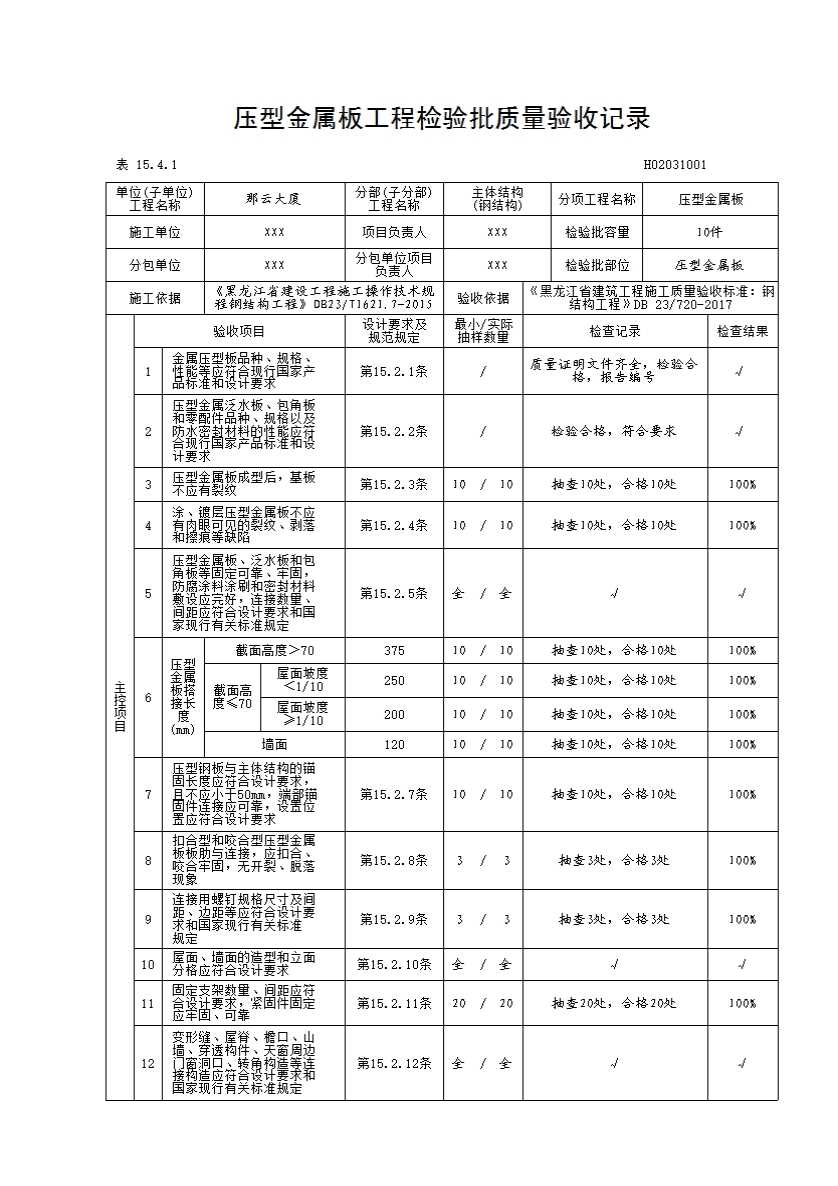
15.2.1 金属压型板及制造金属压型板所采用的原材料,其品种、规格、性能等应符合现行国家产品标准和设计要求。
检查数量:全数检查。
检验方法:检查产品的质量合格证明文件、中文标志及检验报告等。
15.2.2 压型金属泛水板、包角板和零配件的品种、规格以及防水密封材料的性能应符合现行国家产品标准和设计要求。
检查数量:全数检查。
检验方法:检查产品的质量合格证明文件、中文标志及检验报告等。
15.2.3 压型金属板成型后,其基板不应有裂纹。
检查数量:按计件数抽查5%,且不应少于10件。
检验方法:观察和用10倍放大镜检查。
15.2.4 有涂层、镀层压型金属板成型后,涂、镀层不应有肉眼可见的裂纹、剥落和擦痕等缺陷。
检查数量:按计件数抽查5%,且不应少于10件。
检验方法:观察检查。
15.2.5 压型金属板、泛水板和包角板等应固定可靠、牢固,防腐涂料涂刷和密封材料敷设应完好,连接数量、间距应符合设计要求和国家现行有关标准规定。
检查数量:全数检查。
检验方法:观察检查及尺量。
15.2.6 压型金属板应在支承构件上可靠搭接,搭接长度应符合设计要求,且不应小于表15.2.6所规的数值。
表15.2.6 压型金属板在支承构件上的搭接长度(mm)
|
项目 |
搭接长度 |
|
|
截面高度>70 |
375 |
|
|
截面高度≤70 |
屋面坡度<1/10 |
250 |
|
屋面坡度≥1/10 |
200 |
|
|
墙面 |
120 |
|
检查数量:按搭接部位总长度抽查10%,且不应少于10m。
检验方法:观察和用钢尺检查。
15.2.7 组合楼板中压型钢板与主体结构(梁)的锚固支承长度应符合设计要求,且不应小于50mm,端部锚固件连接应可靠,设置位置应符合设计要求。
检查数量:沿连接纵向长度抽查10%,且不应少于10m。
检验方法:观察和用钢尺检查。
15.2.8 扣合型和咬合型压型金属板板肋与连接,应扣合、咬合牢固,无开裂、脱落现象。
检查数量:每50m应抽查1处,每处1m~2m,且不得少于3处。
检验方法:观察和尺量检查。
15.2.9 连接压型金属板、泛水板和包角板采用的自攻螺钉、铆钉、射钉的规格尺寸及间距、边距等应符合设计要求和国家现行有关标准规定。
检查数量:按连接节点数抽查10%,且不应少于3处。
检验方法:观察和尺量检查。
15.2.10 压型金属板屋面、墙面的造型和立面分格应符合设计要求。
检查数量:全数检查。
检验方法:观察和尺量检查。
15.2.11 固定支架数量、间距应符合设计要求,紧固件固定应牢固、可靠。
检查数量:按固定支架数抽查5%,且不得少于20处。
检验方法:观察检查。
15.2.12 变形缝、屋脊、檐口、山墙、穿透构件、天窗周边、门窗洞口、转角等部位的连接构造应符合设计要求和国家现行有关标准规定。
检查数量:全数检查。
检验方法:观察和尺量检查。
15.2.13 压型金属板搭接部位、各连接节点部位应密封完整、连续,防水可靠。
检查数量:全数检查。
检验方法:观察检查和雨后或淋水检验。
15.2.14 装配式金属屋面系统应有防雨(雪)水渗漏及排水构造措施。
检查数量:全数检查。
检验方法:观察检查和雨后或淋水检验。
15.2.15 对于下列情况之一,装配式金属屋面系统应按照本规范附录G地规定进行抗风压、风吸性能见证取样检测,检测结果应符合设计要求。
1 建筑结构安全等级为一级的建筑屋面
2 防水等级Ⅰ、Ⅱ级的公共建(构)筑物屋面
3 采用新材料或新板型或新构造的屋面
4 设计提出检测要求的屋面
检查数量:每屋面系统3组(个)试件
检验方法:见本规范附录G。
三、一般项目
15.3.1 压型金属板的规格尺寸允许偏差应符合设计要求和表15.3.1的规定。
表15.3.1压型金属板的尺寸允许偏差(mm)
|
项目 |
允许偏差 |
||
|
波距 |
±2.0 |
||
|
波高 |
压型钢板 |
截面高度≤70 |
±1.5 |
|
截面高度>70 |
±2.0 |
||
|
侧向弯曲 |
在测量长度h1范围内 |
20.0 |
|
|
注:为测量长度,指板长扣除两端各0.5m后的实际长度(小于10m)或扣除任选的10m长度。 |
|||
检查数量:按计件数抽查5%,且不应少于10件。
检验方法:观察和用10倍放大镜检查及尺量。
15.3.2 压型金属板施工现场制作的允许偏差应符合表15.3.2的规定。
15.3.2 压型金属板施工现场制作的允许偏差(mm)
|
项目 |
允许偏差 |
|
|
压型金属板的覆盖宽度 |
载面高度≤70 |
+10.0,-0.2 |
|
截面高度>70 |
+6.0,-2.0 |
|
|
板长 |
±9.0 |
|
|
横向剪切 |
6.0 |
|
|
泛水板、包角板尺寸 |
板长 |
±6.0 |
|
折弯曲宽度 |
±3.0 |
|
|
折弯曲夹角 |
2° |
|
检查数量:按计件数抽查5%,且不应少于10件。
检验方法:用钢尺和角尺检查。
15.3.3 压型金属板成型后,表面应干净,不应有明显凹凸或皱褶。
检查数量:按计件数抽查5%,且不应少于10件。
检验方法:观察检查。
15.3.4 压型金属板安装应平整、顺直,板面不应有施工残留物和污物。檐口和墙面下端应呈直线,不应有未经处理的错钻孔洞。
检查数量:按面积抽查10%,且不应少于10㎡
检验方法:观察检查。
15.3.5 压型金属板安装的允许偏差应符合表15.3.5的规定。
检查数量:檐口与屋脊的平行度:按长度抽查10%,且不应少于10m。其他项目:每20m长度抽查1处,不应少于2处。
检验方法:用拉线、吊线和钢尺检查。
15.3.6 泛水板、包角板几何尺寸的允许偏差不应超过表15.3.6的规定。

检查数量:按计件数抽查5%,且不应少于10件。
检验方法:尺量检查。
15.3.7 连接压型金属板、泛水板和包角板采用的自攻螺钉、铆钉、射钉等与被连接板应紧固密贴,外观排列整齐。
检查数量:按连接节点数抽查10%,且不应少于3处。
检验方法:观察或用小锤敲击检查。
15.3.8 固定支架安装偏差应符合表15.3.8的规定。

检查数量:固定支架数抽查5%,且不得少于20处。
检验方法:观察检查及拉线、尺量。
15.3.9 固定支架安装后应无破损、变形,表面无杂物。
检查数量:按固定支架数抽查5%,且不得少于20处。
检验方法:观察检查。
15.3.10 泛水板、包角板安装的直线度允许偏差应符合本规范表13.3.5的相关规定。
检查数量:每20m长度应抽查1处,不应少于2处。
检验方法:用拉线、吊线和钢尺检查。
15.3.11 变形缝、屋脊、檐口、山墙、穿透构件、天窗周边、门窗洞口、转角等连接部位表面清洁干净,不应有施工残留物和污物。
检查数量:全数检查。
检验方法:观察检查。
15.3.12 装配式金属屋面系统保温隔热、防水材料及构造应符合设计要求和现行国家标准的要求。
检查数量:全数检查。
检验方法:观察检查。