上级...

H02030701_多层及高层钢结构安装工程检验批质量验收记录(一)

填写规范


多层及高层钢结构安装工程检验批施工质量验收

一、多层及高层钢结构安装工程可按楼层或施工段等划分为一个或若干个检验批。地下钢结构可按不同地下层划分检验批。

二、主控项目

12.2.1 建筑物的定位轴线、基础上柱的定位轴线和标高、地脚螺栓(锚栓)的规格和位置、地脚螺栓(锚栓)紧固应符合设计要求。当设计无要求时,应符合表12.2.1的规定


检查数量:按柱基数抽查10%,且不应少于3个。

检验方法:用经纬仪、水平仪、全站仪、水平尺和钢尺实测。

12.2.2 多层建筑以基础顶面直接作为柱的支承面,或以基础顶面预埋钢板或支座作为柱的支承面时,支承面、地脚螺栓(锚栓)位置的允许偏差应符合本标准表11.2.2的规定。

检查数量:按柱基数抽查10%,且不应少于3个。

检验方法:用经纬仪、水平仪、全站仪、水平尺和钢尺实测。

12.2.3 多层建筑采用座浆垫板时,座浆垫板的允许偏差应符合本标准表11.2.3的规定。

检查数量:资料全数检查。按柱基数抽查10%,且不应少于3个。

检验方法:用水平仪、全站仪、水平尺和钢尺实测。

12.2.4 当采用杯口基础时,杯口尺寸的允许偏差应符合本标准表11.2.4的规定。

检查数量:按基础数抽查10%,且不应少于4处。

检查方法:观察及用尺量检查。

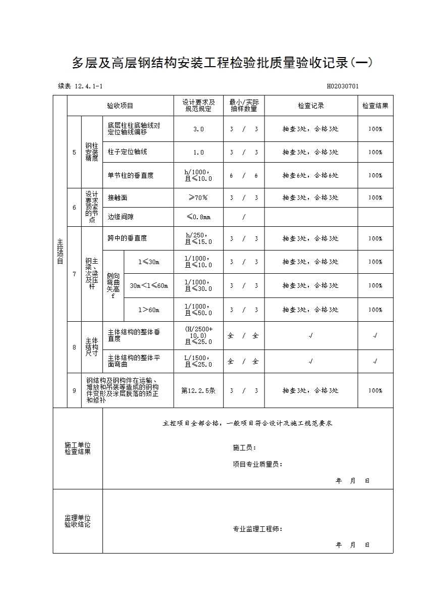
12.2.5 钢构件应符合设计要求和本标准的规定。运输、堆放和吊装等造成的钢构件变形及涂层脱落,应进行矫正和修补。

检查数量:按构件数抽查10%,且不应少于3个。

检验方法:用拉线、钢尺现场实测或观察。

12.2.6 柱子安装的允许偏差应符合表12.2.6的规定。

 

检查数量:标准柱全部检查;非标准柱抽查10%,且不应少于3根。

检验方法:用全站仪或激光经纬仪和钢尺实测。

12.2.7 设计要求顶紧的节点,接触面不应少于70%紧贴,且边缘最大间隙不应大于0.8mm。

检查数量:按节点数抽查10%,且不应少于3个。

检验方法:用钢尺及0.3mm和0.8mm厚的塞尺现场实测。

12.2.8 钢主梁、次梁及受压杆件的垂直度和侧向弯曲矢高的允许偏差应符合本标准表11.2.7的规定。

检查数量:按同类构件数抽查10%,且不应少于3个。

检验方法:用吊线、拉线、经纬仪和钢尺现场实测。

12.2.9 多层及高层钢结构主体结构的整体垂直度和整体平面弯曲允许偏差应符合表12.2.9的规定。


检查数量:对主要立面全部检查。对每个所检查的立面,除两列角柱外,尚应至少选取一列中间柱。

检验方法:对于整体垂直度,可采用激光经纬仪、全站仪测量,也可根据各节柱的垂直度允许偏差累计(代数和)计算。对于整体平面弯曲,可按各节柱平面弯曲允许偏差累计(代数和)计算。

示例