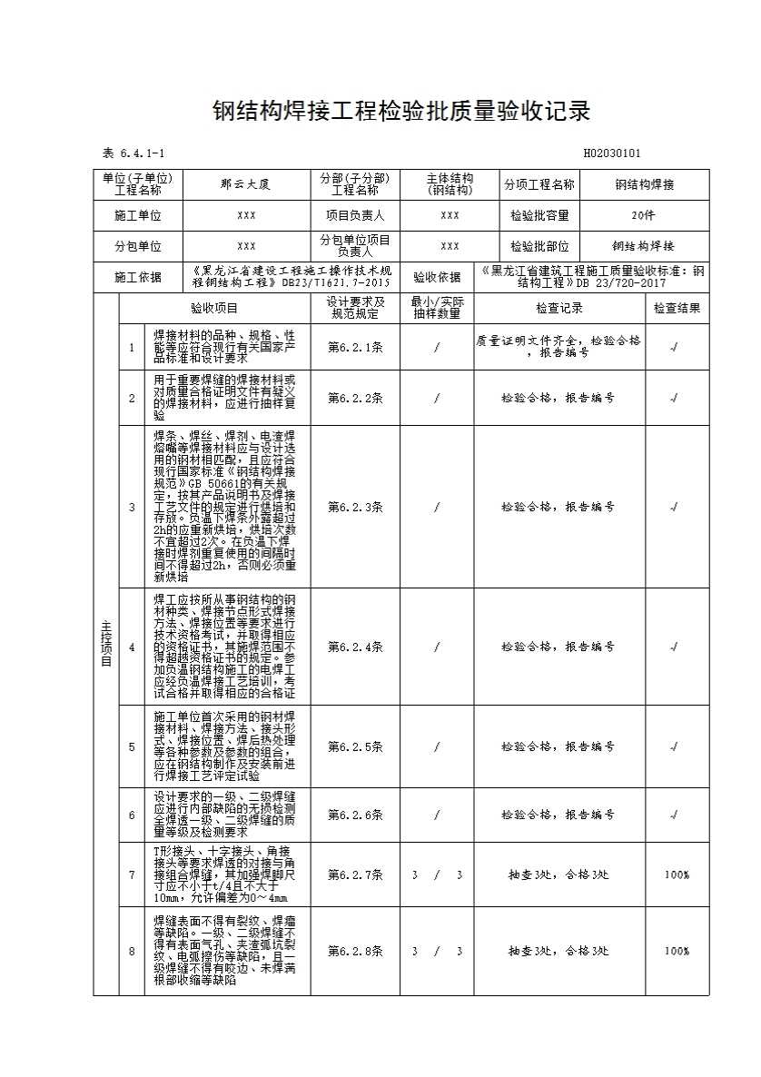
钢结构焊接工程检验批施工质量验收
一、焊接工程的检验批可按下列原则划分:
1 制作焊缝以同一工区(车间)按300处~600处的焊缝数量组成一个检验批;多层框架结构可以每节柱的所有构件组成检验批;
2 安装焊缝以区段组成检验批;多层框架结构以每层(节)的焊缝组成检验批;地下钢结构按不同地下层划分。
二、主控项目
6.2.1 焊接材料的品种、规格、性能等应符合现行有关国家产品标准和设计要求。
检查数量:全数检查。
检验方法:检查焊接材料的质量合格证明文件、中文标志及检验报告等。
6.2.2 用于重要焊缝的焊接材料,或对质量合格证明文件有疑义的焊接材料,应进行抽样复验。
检查数量:焊丝按五个批(或炉批)取一组试验,焊条按三个批取一组试验。
检验方法:检查复验报告。
6.2.3 焊条、焊丝、焊剂、电渣焊熔嘴等焊接材料应与设计选用的钢材相匹配,且应符合现行国家标准《钢结构焊接规范》GB50661的有关规定。焊条、焊剂、药芯焊丝、熔嘴等在使用前,按其产品说明书及焊接工艺文件的规定进行烘焙和存放。负温下焊条外露超过2h的应重新烘焙,烘焙次数不宜超过2次。在负温下焊接时,焊剂重复使用的间隔时间不得超过2h,否则必须重新烘焙。
检查数量:全数检查。
检验方法:检查质量证明书和烘焙记录。
6.2.4 焊工应按所从事钢结构的钢材种类、焊接节点形式、焊接方法、焊接位置等要求进行技术资格考试,并取得相应的资格证书,其施焊范围不得超越资格证书的规定。参加负温钢结构施工的电焊工应经负温焊接工艺培训,考试合格,并取得相应的合格证。
检查数量:全数检查。
检验方法:检查焊工资格证及其认可范围、有效期。
6.2.5 施工单位首次采用的钢材、焊接材料、焊接方法、接头形式、焊接位置、焊后热处理等各种参数及参数的组合,应在钢结构制作及安装前进行焊接工艺评定试验。
检查数量:全数检查。
检验方法:检查焊接工艺评定报告。
6.2.6 设计要求的一级、二级焊缝应进行内部缺陷的无损检测,全焊透一级、二级焊缝的质量等级及检测要求应符合表6.2.6的规定。焊缝内部缺陷无损检测应符合下列规定:
1 采用超声波检测时,超声波检测设备、工艺要求及缺陷等级评定应符合现行国家标准《钢结构焊接规范》GB50661的规定;
2 当不能采用超声波探伤或对超声波检测结果有疑义时,可采用射线检测验证,射线检测应符合现行国家标准《金属熔化焊焊接接头射线照相》GB/T3323的规定;
3 焊接球节点网架、螺栓球节点网架及圆管T、K、Y节点焊缝的超声波探伤方法及缺陷分级应符合现行行业标准《钢结构超声波探伤及质量分级法》JG/T203的有关规定。
检查数量:全数检查。

检验方法:检查超声波或射线探伤记录。
6.2.7 1T形接头、十字接头、角接接头等要求焊透的对接与角接组合焊缝(图6.2.7),其加强焊脚尺寸应不小于t/4且不大于0mm,允许偏差为0~4mm。

图6.2.7对接与角接组合角焊缝
检查数量:资料全数检查;同类焊缝抽查10%,且不应少于3条。
检验方法:观察检查,用焊缝量规抽查测量。
6.2.8 焊缝表面不得有裂纹、焊瘤等缺陷。一级、二级焊缝不得有表面气孔、夹渣、弧坑裂纹、电弧擦伤等缺陷,且一级焊缝不得有咬边、未焊满、根部收缩等缺陷。
检查数量:每批同类构件抽查10%,且不应少于3件;被抽查构件中,每一类型焊缝按条数抽查5%,且不应少于1条;每条检查1处,总抽查数不应少于10处。
检验方法:观察检查或使用放大镜、焊缝量规和钢尺检查,当存在疑义时,采用渗透或磁粉探伤检查。
6.2.9 栓钉应采用专用焊接设备进行施焊。首次栓钉焊接时,应进行焊接工艺评定试验,并应确定焊接工艺参数。
检查数量:全数检查。
检验方法:检查焊接工艺评定报告。
6.2.10 栓钉焊接接头外观质量检验合格后进行打弯抽样检查,当栓钉弯曲至30°时,焊缝和热影响区不得有肉眼可见的裂纹。
检查数量:不小于栓钉总数的1%且不少于10件。
检验方法:用角尺检查和观察检查。
三、 一般项目
6.3.1 焊条外观不应有药皮脱落、焊芯生锈等缺陷;焊剂不应受潮结块。
检查数量:按量抽查1%,且不应少于10包。
检验方法:观察检查。
6.3.2 对于需要进行焊前预热或焊后热处理的焊缝,其预热温度或后热温度应符合国家现行有关标准的规定或通过工艺试验确定。预热区在焊道两侧,每侧宽度均应大于焊件厚度的1.5倍以上,且不应小于100mm;后热处理应在焊后立即进行,保温时间应根据板厚按每25mm板厚1h确定。
检查数量:全数检查。
检验方法:检查预、后热施工记录和工艺试验报告。
6.3.3 焊缝外观质量应符合表6.3.3-1和表6.3.3-2的规定。

1 t为母材壁厚;
2 桥面板与弦杆角焊缝、桥面板与U形肋角焊缝(桥面板侧)、竖向加劲肋角焊缝(腹板侧受拉区)的咬边缺陷应满足一级焊缝的质量要求。
检查数量:每批同类构件抽查10%,且不应少于3件,被抽查构件中,每一类型焊缝按条数抽查5%,且不应少于1条;每条检查1处,总抽查数不应少于10处。
检验方法:观察检查或使用放大镜、焊缝量规和钢尺检查。
6.3.4 焊缝外观尺寸应符合表6.3.4-1和6.3.4-2的规定。

注:a 主要角焊缝是指主要杆件的盖板与腹板的连接焊缝;
b 手工焊角焊缝全长的10%允许。
检查数量:每批同类构件抽查10%,且不应少于3件,被抽查构件中,每种焊缝按条数各抽查5%,且不应少于1条;每条检查1处,总抽查数不应少于10处。
检验方法:用焊缝量规检查。
6.3.5 焊成凹形的角焊缝,焊缝金属与母材间应平缓过渡;加工成凹形的角焊缝,不得在其表面留下切痕。
检查数量:每批同类构件抽查10%,且不应少于3件。
检验方法:观察检查。
6.3.6 焊缝应外形均匀、成型较好,焊道与焊道、焊道与基本金属间过渡较平滑,焊渣和飞溅物基本清除干净。
检查数量:每批同类构件抽查10%,且不应少于3件;被抽查构件中,每种焊缝按数量各抽查5%,总抽查处不应少于5处。
检验方法:观察检查。
6.3.7 栓钉焊使用的栓钉及焊接瓷环应符合现行国家标准《电弧螺柱焊用圆柱头焊钉》GB/Tl0433的有关规定。
检查数量:按量抽查1%,且不应少于10套。
检验方法:用钢尺和游标卡尺测量。
6.3.8栓钉焊接接头的焊缝外观质量应符合表6.3.8-1和表6.3.8-2的要求。

检查数量:按总栓钉数量抽查1%,且不应少于10个。
检验方法:观察检查,用钢尺等测量。