钢构件组装工程检验批质量验收记录
一、检验批的划分可按楼层或施工段等划分为一个或若干个检验批。地下钢结构可按不同地下层划分检验批。
二、主控项目
9.2.1 吊车梁的下翼缘不得焊接工装夹具、定位板、连接板等临时工件。吊车梁和吊车桁架组装完成后不允许下挠。
检查数量:全数检查。
检验方法:构件直立,在两端支承后,用水平仪和钢尺检查。
9.2.2 端部铣平的允许偏差应符合表9.2.2的规定。

检查数量:按铣平面数量抽查10%,且不应少于3个。
检验方法:用钢尺、角尺、塞尺等检查。
9.2.3钢构件外形尺寸允许偏差应符合表9.2.3的规定

检查数量:全数检查。
检验方法:用钢尺检查。
三、 一般项目
9.3.1 焊接H型钢的翼缘板拼接缝和腹板拼接缝的间距不应小于200mm。翼缘板拼接长度不应小于2倍板宽且不小于600mm;腹板拼接宽度不应小于300mm,长度不应小于600mm。
检查数量:全数检查。
检验方法:观察和用钢尺检查。
9.3.2焊接H型钢的允许偏差应符合表9.3.2的规定。

检查数量:按钢构件数抽查10%,且不应少于3件。
检验方法:用钢尺、角尺、塞尺等检查。
9.3.3 顶紧接触面应有75%以上的面积紧贴。
检查数量:按接触面的数量抽查10%,且不应少于10个。
检验方法:用0.3mm塞尺检查,其塞入面积应小于25%,边缘间隙不应大于0.8mm。
9.3.4 桁架结构杆件轴线交点错位的允许偏差不得大于3.0mm,非连接处允许偏差不得大于4mm。
检查数量:按构件数抽查10%,且不应少于3个,每个抽查构件按节点数抽查10%,且不应少于3个节点。
检验方法:尺量检查。
9.3.5 焊接连接组装的允许偏差应符合表9.3.5的规定。

检查数量:按构件数抽查10%,且不应少于3个。
检验方法:用钢尺、角尺、塞尺检查。
9.3.6 安装焊缝坡口的允许偏差应符合表9.3.6的规定。

检查数量:按坡口数量抽查10%,且不应少于3条。
检验方法:用焊缝量规检查。
9.3.7 单节钢柱外形尺寸允许偏差应符合表9.3.7的规定。

检查数量:按构件数量抽查10%,且不应少于3件。
检验方法:用钢尺、角尺、塞尺检查。
9.3.8多节钢柱外形尺寸的允许偏差,应符合表9.3.8的规定。

检查数量:按钢构件数抽查10%,且不应少于3件。
检验方法:用钢尺、角尺、塞尺等检查。
9.3.9 焊接实腹钢梁外形尺寸的允许偏差,应符合表9.3.9的规定。

检查数量:按钢构件数抽查10%,且不应少于3件。
检验方法:用钢尺、角尺、塞尺等检查。
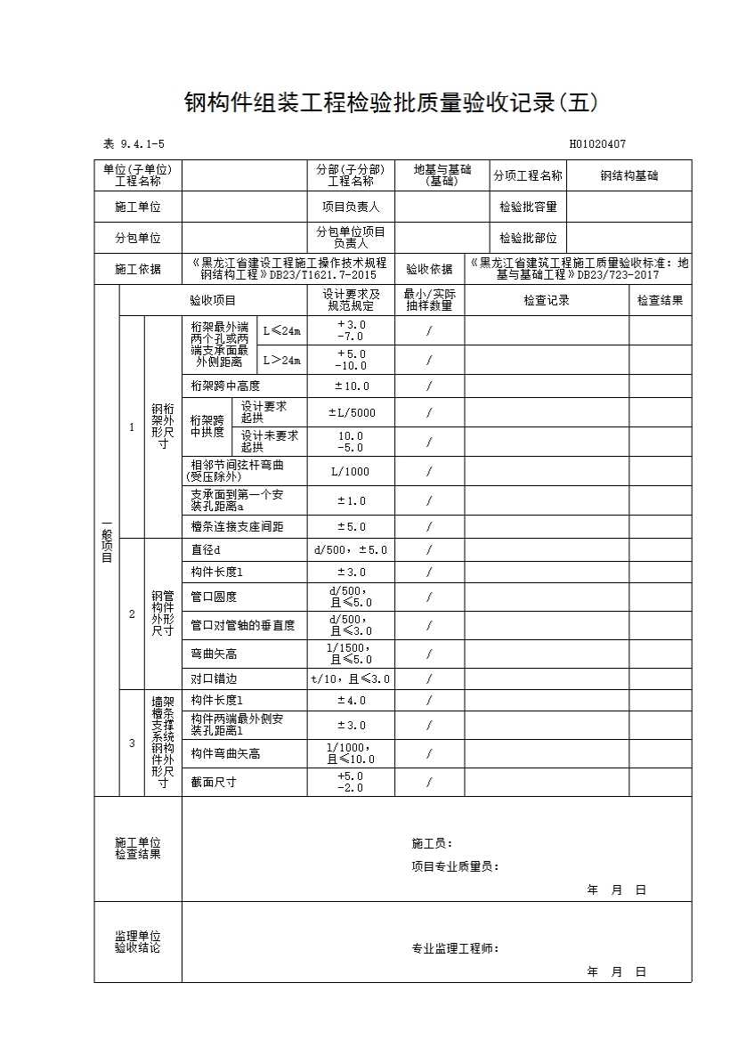
9.3.10 钢桁架外形尺寸的允许偏差,应符合表9.3.10的规定。

检查数量:按钢构件数抽查10%,且不应少于3件。
检验方法:用钢尺等检查。
9.3.11 钢管构件外形尺寸的允许偏差,应符合表9.3.11的规定。

检查数量:按钢构件数抽查10%,且不应少于3件。
检验方法:用钢尺、焊缝量规等检查。
9.3.12 墙架、檩条、支撑系统钢构件外形尺寸的允许偏差,应符合表9.3.12的规定。

检查数量:按钢构件数抽查10%,且不应少于3件。
检验方法:用钢尺等检查。
9.3.13 钢平台、钢梯和防护钢栏杆外形尺寸的允许偏差,应符合表9.3.13的规定。

检查数量:按钢构件数抽查10%,且不应少于3件。
检验方法:用钢尺、角尺、塞尺等检查。
9.3.14 复杂断面钢柱外形尺寸的允许偏差,应符合表9.3.14的规定。

检查数量:按钢构件数抽查10%,且不应少于3件。
检验方法:用钢尺、角尺、塞尺等检查。
9.3.15 复杂节点域构件外形尺寸的允许偏差,应符合表9.3.15的规定。

检查数量:按钢构件数抽查10%,且不应少于3件。
检验方法:用钢尺、角尺、塞尺等检查。