|
云上资料软件
登录
/
注册
免费注册
登录
首页
软件下载
购买
首页
资料软件
(下载)
云上资料软件
(下载)
在线表格
求职招聘
服务平台
那云知道
当前位置:
表格库
>
黑龙江
>
房建
>
大庆专用内业资料管理用表
>
施工质量验收记录(C8)
>
02 主体结构工程
>
0205 木结构工程
>
子分部验收
>
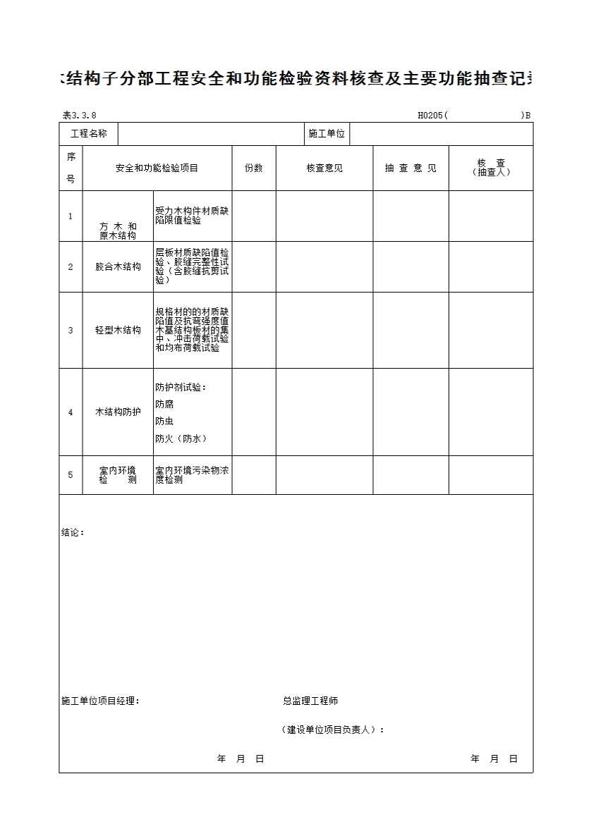
木结构子分部工程安全和功能检验资料核查及主要功能抽查记录
上级...
木结构子分部工程安全和功能检验资料核查及主要功能抽查记录
表格
下载表格
点击领取首张表格excel
点击查看大图
下载表格
点击领取首张表格excel
×
下载表格
表格名称:木结构子分部工程安全和功能检验资料核查及主要功能抽查记录
所需N币:
N币
(我有
)N币)
您的N币不足,请先充值。
充值N币
充值N币
下载
取消
×
分享页面
QQ分享
空间分享
微信分享
微博分享