上级...

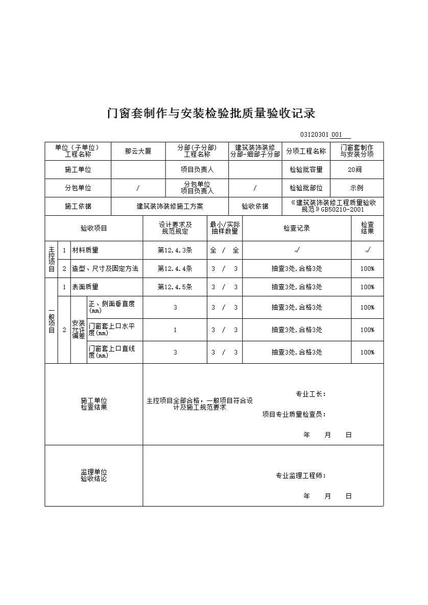
03120301_门窗套制作与安装检验批质量验收记录

填写规范


门窗套制作与安装检验批质量验收记录

本节适用于门窗套制作与安装工程的质量验收。

一、检验批划分

1 同类制品每50间(处)应划分为一个检验批,不足50间(处)也应划分为一个检验批。

2 每部楼梯应划分为一个检验批。

二、主控项目

12.4.3 门窗套制作与安装所使用材料的材质、规格、花纹和颜色、木材的燃烧性能等级和含水率、花岗石的放射性及人造木板的甲醛含量应符合设计要求及国家现行标准的有关规定。

检验方法:观察;检查产品合格证书、进场验收记录、性能检测报告和复验报告。

12.4.4 门窗套的造型、尺寸和固定方法应符合设计要求,安装应牢固。

检验方法:观察;尺量检查;手扳检查。

三、一般项目

12.4.5 门窗套表面应平整、洁净、线条顺直、接缝严密、色泽一致,不得有裂缝、翘曲及损坏。

检验方法:观察。

12.4.6 门窗套安装的允许偏差和检验方法应符合表12.4.6的规定。

12.4.6门窗套安装的允许偏差和检验方法

项次

项目

允许偏差(mm)

检验方法

1

正、侧面垂直度

3

用1m垂直检测尺检查

2

门窗套上口水平度

1

用1m水平检测尺和塞尺检查

3

门窗套上口直线度

3

拉5m线,不足5m拉通线,用钢直尺检查

示例