上级...

03110201_软包检验批质量验收记录

填写规范


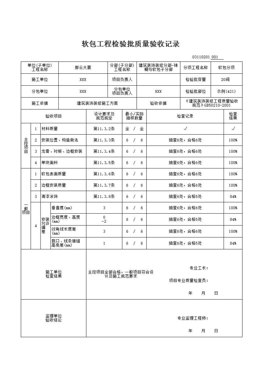
软包工程检验批质量验收记录

本节适用于墙面、门等软包工程的质量验收。

一、检验批划分

同一品种的软包工程每50间(大面积房间和走廊按施工面积30㎡为一间)应划分为一个检验批,不足50间也应划分为一个检验批。

二、主控项目

11.3.2 软包面料、内衬材料及边框的材质、颜色、图案、燃烧性能等级和木材的含水率应符合设计要求及国家现行标准的有关规定。

说明:木材含水率太高,在施工后的干燥过程中,会导致木材翘曲、开裂、变形,直接影响到工程质量。故应对其含水率进行进场验收。

检验方法:观察;检查产品合格证书、进场验收记录和性能检测报告。

11.3.3 软包工程的安装位置及构造做法应符合设计要求。

检验方法:观察;尺量检查;检查施工记录。

11.3.4 软包工程的龙骨、衬板、边框应安装牢固,无翘曲,拼缝应平直。

检验方法:观察;手扳检查。

11.3.5 单块软包面料不应有接缝,四周应绷压严密。

检验方法:观察;手摸检查。

说明:如不绷压严密,经过一段时间,软包面料会因失去张力而出现下垂及皱折;单块软包上的面料的本色,其色泽和木纹如相差较大,均会影响到装饰效果,故制定此条。

三、一般项目

11.3.6 软包工程表面应平整、洁净,无凹凸不平及皱折;图案应清晰、无色差,整体应协调美观。

检验方法:观察。

11.3.7 软包边框应平整、顺直、接缝吻合。其表面涂饰质量应符合本规范第10章的有关规定。

检验方法:观察;手摸检查。

11.3.8 清漆涂饰木制边框的颜色、木纹应协调一致。

检验方法:观察。

11.3.9 软包工程安装的允许偏差和检验方法应符合表11.3.9的规定。

11.3.9软包工程安装的允许偏差和检验方法

项次

项目

允许偏差(mm)

检验方法

1

垂直度

3

用1m垂直检测尺检查

2

边框宽度、高度

0;—2

用钢尺检查

3

对角线长度差

3

用钢尺检查

4

裁口、线条接缝高低差

1

用钢直尺和塞尺检查

示例