上级...

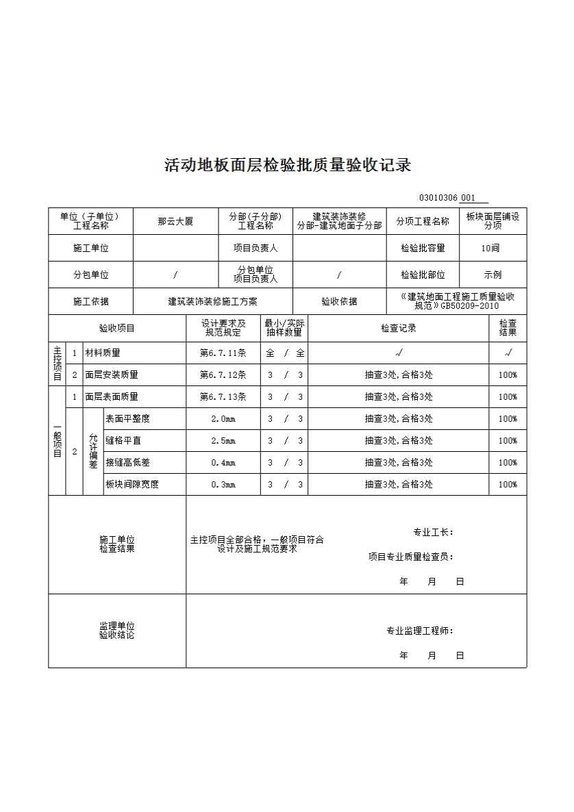
03010306_活动地板面层检验批质量验收记录

填写规范


活动地板面层检验批质量验收记录 

一、检验批划分

按施工段、变形缝划分;对于工程量较少的分项工程可统一划分为一个验收批。

二、主控项目 

6.7.11 活动地板应符合设计要求和国家现行有关标准的规定,且应具有耐磨、防潮、阻燃、耐污染、耐老化和导静电等性能。 

检验方法:观察检查和检查型式检验报告、出厂检验报告、出厂合格证。 

检查数量:同一工程、同一材料、同一生产厂家、同一型号、同一规格、同一批号检查一次。 

6.7.12 活动地板面层应安装牢固,无裂纹、掉角和缺棱等缺陷。 

检验方法:观察和行走检查。 

检查数量:按本规范第3.0.21条规定的检验批检查。 

三、一般项目 

6.7.13 活动地板面层应排列整齐、表面洁净、色泽一致、接缝均匀、周边顺直。 

检验方法:观察检查。 

检查数量:按本规范第3.0.21条规定的检验批检查。 

6.7.14 活动地板面层的允许偏差应符合本规范表6.1.8的规定。 

检验方法:按本规范表6.1.8中的检验方法检验。 

检查数量:按本规范第3.0.21条规定的检验批和第3.0.22条的规定检查。 

6.1.8 板块面层的允许偏差和检验方法应符合表6.1.8的规定。 

6.1.8 板、块面层的允许偏差和检验方法 

 

 

项目 

允许偏差(mm) 

检验 

方法 

陶瓷锦砖面层、高级水磨石板、陶瓷地砖面层 

缸砖面层 

水泥花砖面层 

水磨石板块面层 

大理石面层、花岗石面层、人造石面层、金属板面层 

塑料板面层 

水泥混凝土板块面层 

碎拼大理石、碎拼花岗石面层 

活动地板面层 

条石面层 

块石面层 

1 

表面 

平整 

 

2.0 

4.0 

3.0 

3.0 

1.0 

2.0 

4.0 

3.0 

2.0 

10 

10 

用2m靠尺和楔形塞尺检查 

2 

缝格 

平直 

3.0 

3.0 

3.0 

3.0 

2.0 

3.0 

3.0 

- 

2.5 

8.0 

8.0 

拉5m线和用钢尺检查 

3 

接缝 

高低 

 

0.5 

1.5 

0.5 

1.0 

0.5 

0.5 

1.5 

- 

0.4 

2.0 

- 

用钢尺检查和楔形塞尺检查 

4 

踢脚 

线上 

口平 

 

3.0 

4.0 

- 

4.0 

1.0 

2.0 

4.0 

1.0 

- 

- 

- 

拉5m线和用钢尺检查 

5 

板块 

间隙 

宽度 

2.0 

2.0 

2.0 

2.0 

1.0 

- 

6.0 

- 

0.3 

5.0 

- 

用钢尺检查 

3.0.21 建筑地面工程施工质量的检验,应符合下列规定:

1 基层(各构造层)和各类面层的分项工程的施工质量验收应按每一层次或每层施工段(或变形缝)划分检验批,高层建筑的标准层可按每三层(不足三层按三层计)划分检验批;

2 每检验批应以各子分部工程的基层(各构造层)和各类面层所划分的分项工程按自然间(或标准间)检验,抽查数量应随机检验不应少于3间;不足3间,应全数检查;其中走廊(过道)应以10延长米为1间,工业厂房(按单跨计)、礼堂、门厅应以两个轴线为1间计算;

3 有防水要求的建筑地面子分部工程的分项工程施工质量每检验批抽查数量应按其房间总数随机检验不应少于4间,不足4间,应全数检查。

3.0.22 建筑地面工程的分项工程施工质量检验的主控项目,应达到本规范规定的质量标准,认定为合格;一般项目80%以上的检查点(处)符合本规范规定的质量要求,其他检查点(处)不得有明显影响使用,且最大偏差值不超过允许偏差值的50%为合格。

示例