上级...

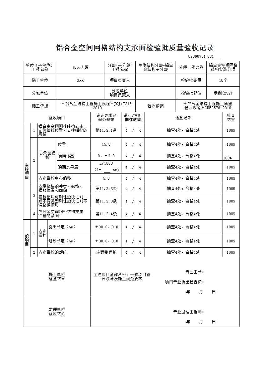
02060701_铝合金空间网格结构支承面检验批质量验收记录

填写规范


铝合金空间网格结构支承面检验批质量验收记录

本表适用于建筑工程中的铝合金空间网格结构安装工程中的支承面质量验收。

一、检验批划分

应按变形缝、施工段或空间刚度单元划分成一个或若干个检验批。

二、主控项目

11.2.1 铝合金空间网格结构支座定位轴线的位置、支柱锚栓的规格应符合设计要求。

检查数量:按支座数抽查10%,且不应少于4处。

检验方法:用经纬仪和钢尺实测。

11.2.2 支承面顶板的位置、标高、水平度以及支座锚栓位置的允许偏差应符合表11.2.2的规定。

检查数量:按支座数抽查10%,且不应少于4处。

检验方法:用全站仪或经纬仪、水准仪、钢尺实测。

11.2.2  支承面顶板、支座锚栓位置的允许偏差(mm)

检查项目

允许偏差

支承面顶板

位   置

15.0

顶面标高

0

-3.0

顶面水平度

L/1000

支座锚栓

中心偏移

5.0

注:  L顶面测量水平度时两个测点间的距离。

11.2.3 支承垫块的种类、规格、摆放位置和朝向,必须符合设计要求和国家现行有关标准的规定。橡胶垫块与刚性垫块之间或不同类型刚性垫块之间不得互换使用。

检查数量:按支座数抽查10%,且不应少于4处。

检验方法:观察和用钢尺实测。

11.2.4 铝合金空间网格结构支座锚栓的紧固应符合设计要求。

检查数量: 按支座数抽查10%,且不应少于4处。

检验方法: 观察检查。

三、一般项目

11.2.5 支座锚栓尺寸的允许偏差应符合本规范表10.2.4的规定。支座锚栓的螺纹应受到保护。

检查数量:按支座数抽查10%,且不应少于4处。

检验方法:用钢尺实测和观察。

示例