上级...

01050101_土方开挖检验批质量验收记录

填写规范


土方开挖检验批质量验收记录

本表适用于柱基、基坑、基槽、管沟、地(路)面基层、场地平整、排水沟等土方开挖工程的检验批质量验收。土方开挖是一个综合性项目,使用哪一项时,在哪一项打“√”注明,或在表名“土方开挖”前加上“××土方开挖”更清楚。

一、检验批划分

按施工段、变形缝划分;对于工程量较少的分项工程可统一划分为一个验收批。

二、主控项目、一般项目

6.2.1土方开挖前应检查定位放线、排水和降低地下水位系统,合理安排土方运输车的行走路线及弃土场。

6.2.2施工过 程中应检查平面位置、水平标高、边坡坡度、压实度、排水、降低地下水位系统,并随时观测周围的环境变化。

6.2.3临时性挖方的边坡值应符合表6.2.3的规定。

6.2.3临时性挖方边坡值

土的类别

边坡值(高:宽)

砂土(不包括细砂、粉砂)

1:1.25~1:1.50

一般性粘土

1:0.75~1:1.00

硬、塑

1:1.00~1:1.25

1:1.50或更缓

碎石类土

充填坚硬、硬塑粘性土

1:0.50~1:1.00

充填砂土

1:1.00~1:1.50

注:1.设计有要求时,应符合设计标淮。

2.如采用降水或其他加固措施,可不受本表限制,但应计算复核。

3 开挖深度,对软土不应超过4m,对硬土不应超过8m。

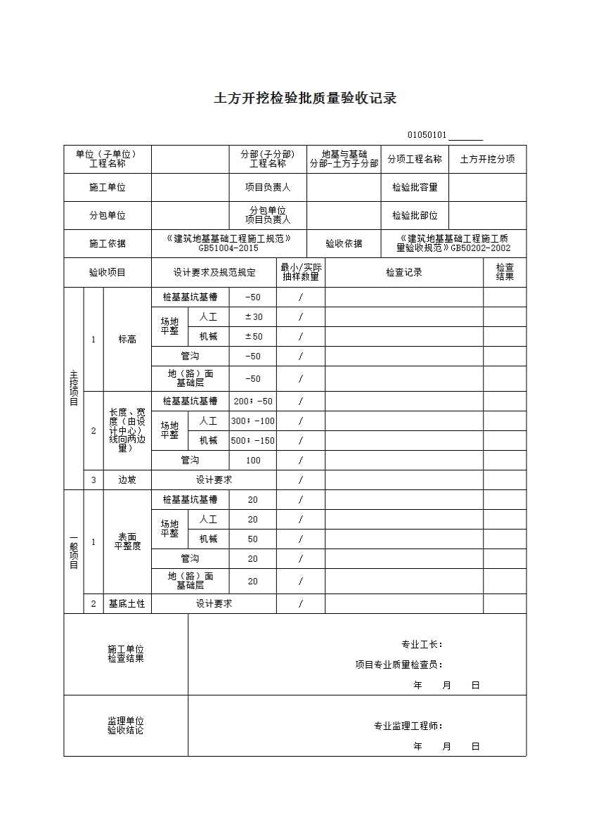
6.2.4 土方开挖工程质量检验标准应符合规范表6.2.4的规定。

6.2.4土方开挖工程的质量检验标准(mm)

项目

允许偏差或允许值

检验方法

柱基基坑

基槽

挖方场地平整

管沟

地(路)面基层。

人工

机械

主控项目

1

标高

-50

±30

±50

-50

-50

水准仪

2

长度、宽度(由设计中心线向两边量)

+200

-50

+300

-100

+500

-150

+100

-

经纬仪,用钢尺量

3

边坡

设计要求

观察或用坡度尺检查

一般项目

1

表面平整度

20

20

50

20

20

用2m靠尺和楔形塞尺检查

2

基底土性

设计要求

观察或土样分析

注:地(路)面基层的偏差只适用于直接在挖、填方上做地(路)面的基层。

示例