上级...

10010801_电梯安装安全部件检验批质量验收记录

填写规范


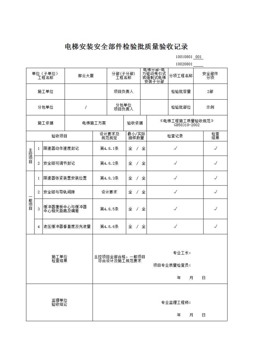
 电梯安装安全部件检验批质量验收记录 

一、检验批划分

按施工段、楼层、单元、设备组别划分;对于工程量较少的分项工程可统一划分为一个验收批。

主控项目

4.8.1 限速器动作速度整定封记必须完好,且无拆动痕迹。 

4.8.2 当安全钳可调节时,整定封记应完好,且无拆动痕迹。 

一般项目

4.8.3 限速器张紧装置与其限位开关相对位置安装应正确。 

4.8.4 安全钳与导轨的间隙应符合产品设计要求。 

4.8.5 轿厢在两端站平层位置时,轿厢、对重的缓冲器撞板与缓冲器顶面间的距离应符合土建布置图要求。轿厢、对重的缓冲器撞板中心与缓冲器中心的偏差不应大于20mm。 

4.8.6 液压缓冲器柱塞铅垂度不应大于0.5%,充液量应正确。

示例