上级...

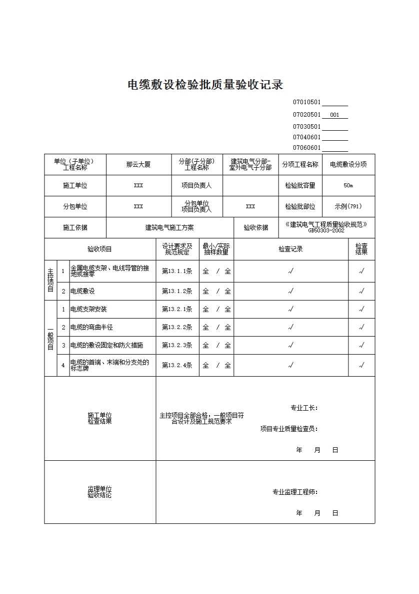
07020501_电缆敷设检验批质量验收记录

填写规范


电缆敷设检验批质量验收记录

一、检验批划分

按施工段、变形缝划分;对于工程量较少的分项工程可统一划分为一个验收批。

二、主控项目

13.1.1 金属电缆支架、电缆导管必须接地(PE)或接零(PEN)可靠。

13.1.2 电缆敷设严禁有绞拧、铠装压扁、护层断裂和表面严重划伤等缺陷。

三、一般项目

13.2.1 电缆支架安装应符合下列规定:

1 当设计无要求时,电缆支架最上层至竖井顶部或楼板的距离不小于150~200mm;电缆支架最下层至沟底或地面的距离不小于50~100mm;

2 当设计无要求时,电缆支架层间最小允许距离符合表13.2.1的规定;

13.2.1电缆支架层间最小允许距离(mm)

电缆种类

支架层间最小距离

控制电缆

120

10KV及以下电力电缆

150~200

3 支架与预埋件焊接固定时,焊缝饱满;用膨胀螺栓固定时,选用螺栓适配,连接紧固,防松零件齐全。

13.2.2 电缆在支架上敷设,转弯处的最小允许弯曲半径应符合本规范表12.2.1-1的规定。

13.2.3 电缆敷设固定应符合下列规定:

1 垂直敷设或大于45°倾斜敷设的电缆在每个支架上固定;

2 交流单芯电缆或分相后的每相电缆固定用的夹具和支架,不形成闭合铁磁回路;

3 电缆排列整齐,少交叉;当设计无要求时,电缆支持点间距,不大于表13.2.3的规定;

13.2.3电缆支持点间距(mm)

电缆种类

敷设方式

水平

垂直

电力电缆

全塑型

400

1000

除全塑型外的电缆

800

1500

控制电缆

800

1000

4 当设计无要求时,电缆与管道的最小净距,符合本规范表12.2.1-2的规定,且敷设在易燃易爆气体管道和热力管道的下方;

5 敷设电缆的电缆沟和竖井,按设计要求位置,有防火隔堵措施。

13.2.4 电缆的首端、末端和分支处应设标志牌。

示例