上级...

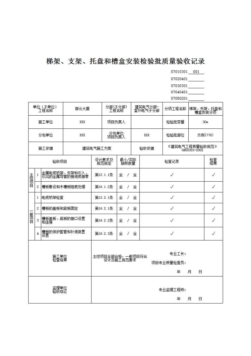
07010301_梯架、支架、托盘和槽盒安装检验批质量验收记录

填写规范


梯架、支架、托盘和槽盒安装检验批质量验收记录

一、检验批划分

按施工段、变形缝划分;对于工程量较少的分项工程可统一划分为一个验收批。

二、主控项目

12.1.1 金属电缆桥架及其支架和引入或引出的金属电缆导管必须接地(PE)或接零(PEN)可靠,且必须符合下列规定:

1 金属电缆桥架及其支架全长应不少于2处与接地(PE)或接零(PEN)干线相连接;

2 非镀锌电缆桥架间连接板的两端跨接铜芯接地线,接地线最小允许截面积不小于4mm2;

3 镀锌电缆桥架间连接板的两端不跨接接地线,但连接板两端不少于2个有防松螺帽或防松垫圈的连接固定螺栓。

12.1.2 电缆敷设严禁有绞拧、铠装压扁、护层断裂和表面严重划伤等缺陷。

三、一般项目

12.2.1 电缆桥架安装应符合下列规定:

1 直线段钢制电缆桥架长度超过30m、铝合金或玻璃钢制电缆桥架长度超过15m设有伸缩节;电缆桥架跨越建筑物变形缝处设置补偿装置;

2 电缆桥架转弯处的弯曲半径,不小于桥架内电缆最小允许弯曲半径,电缆最小允许弯曲半径见表12.2.1-1;

12.2.1-1电缆最小允许弯曲半径

序号

电缆种类

最小允许弯曲半径

1

无铅包钢铠护套的橡皮绝缘电力电缆

10D

2

有钢铠护套的橡皮绝缘电力电缆

20D

3

聚氯乙烯绝缘电力电缆

10D

4

交联聚氯乙烯绝缘电力电缆

15D

5

多芯控制电缆

10D

注:D为电缆外径

3 当设计无要求时,电缆桥架水平安装的支架间距为1.5~3m;垂直安装的支架间距不大于2m;

4 桥架与支架间螺栓、桥架连接板螺栓固定紧固无遗漏,螺母位于桥架外侧;当铝合金桥架与钢支架固定时,有相互间绝缘的防电化腐蚀措施;

5 电缆桥架敷设在易燃易爆气体管道和热力管道的下方,当设计无要求时,管道的最小净距,符合表12.2.1-2的规定;

12.2.1-2与管道的最小净距(m)

管道类别

平行净距

交叉净距

一般工艺管道

0.4

0.3

易燃易爆气体管道

0.5

0.5

热力管道

有保温层

0.5

0.3

无保温层

1.0

0.5

6 敷设在竖井内和穿越不同防火区的桥架,按设计要求位置,有防火隔堵措施;

7 支架与预埋件焊接固定时,焊缝饱满;膨胀螺栓固定时,选用螺栓适配,连接紧固,防松零件齐全。

12.2.2 桥架内电缆敷设应符合下列规定:

1 大于45°倾斜敷设的电缆每隔2m处设固定点;

2 电缆出入电缆沟、竖井、建筑物、柜(盘)、台处以及管子管口处等做密封处理;

3 电缆敷设排列整齐,水平敷设的电缆,首尾两端、转弯两侧及每隔5~10m处设固定点;敷设于垂直桥架内的电缆固定点间距,不大于表12.2.2的规定。

12.2.2电缆固定点的间距(mm)

电缆种类

固定点的间距

电力电缆

全塑型

1000

除全塑型外的电缆

1500

控制电缆

1000

12.2.3 电缆的首端、末端和分支处应设标志牌。

示例