上级...

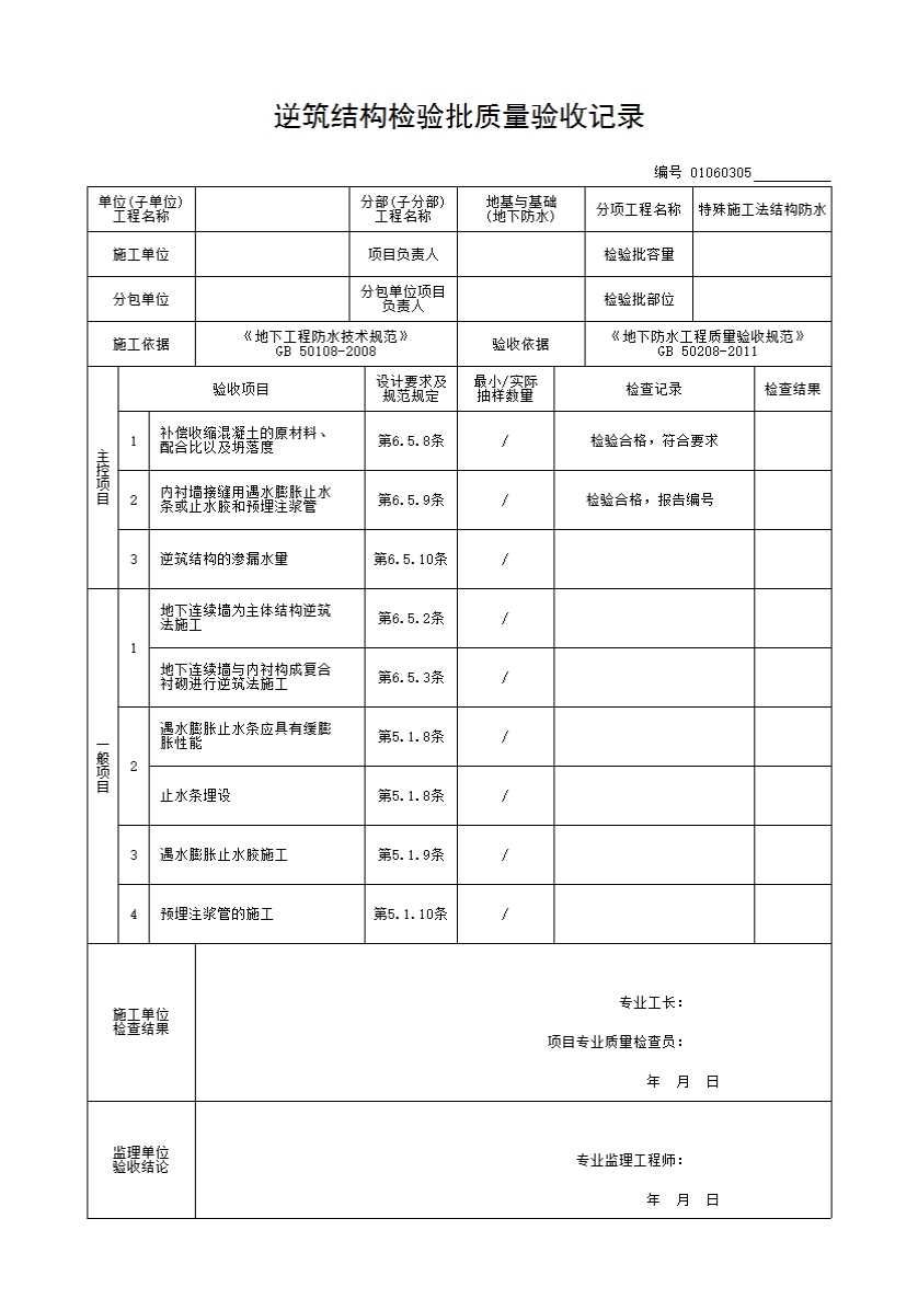
01060305_逆筑结构检验批质量验收记录

填写规范


逆筑结构检验批质量验收记录

一、检验批划分

按隧道区间、变形缝等施工段划分检验批。

二、主控项目

6.5.8补偿收缩混凝土的原材料、配合比以及坍落度必须符合设计要求。

检验方法:检查产品合格证、产品性能检测报告、计量措施和材料进场检验报告。

6.5.9内衬墙接缝用遇水膨胀止水条或止水胶和预埋注浆管必须符合设计要求.

检验方法:检查产品合格证、产品性能检测报告和材料进场检验报告。

6.5.10逆筑结构的渗漏水量:必须符合设计要求。

检验数量:每100m²抽查1处,每处10m²,且不得少于3处。

检验方法:观察检查和检查渗漏水检测记录。

三、一般项目

6.5.11逆筑結枸的施工应符合本规范第6.5.2条和第6.5.3条的规定。

如下

6.5.2 地下连续墙为主体结构逆筑法施工:

1)地下连续墙墙面应凿毛、清洗干净,并宜做水泥砂浆防水层。

2)地下连续墙与顶板、中楼板、底板接缝部位应凿毛处理,施工缝的施工应符合规范规定。

3)钢筋接驳器处宜涂刷水泥基渗透结晶型防水涂料。

6.5.3 地下连续墙与内衬构成复合衬砌进行逆筑法施工:除应符合上述规定外,尚应符合下列规定:

1)顶板及中楼板下部500mm呢衬墙应同时浇筑,内衬墙下部应做成斜坡形;斜坡形下部应预留300mm~500mm空间,并应待下部先浇筑混凝土施工14d后再进行浇筑。

2)浇筑混凝土前,内衬墙的接缝面应凿毛、清洗干净,并应设置遇水膨胀止水条或止水胶和预埋注浆管。

3)内衬墙的后浇筑混凝土应采用补偿收缩混凝土,浇筑口宜高于斜坡顶端200mm以上。

检验方法:观察检查和检查隐蔽工程验收记录。

6.5.12 遇水膨胀止水条的施工应符合本规范第5.1.8条的规定;遇水膨胀止水胶的施工应符合本规范第5.1.9条的规定:预埋注浆管的施工应符合本规范第5.1.10条的规定。

如下:

5.1.8遇水膨胀止水条应具有缓膨胀性能;止水条埋设:遇水膨胀止水条应具有缓膨胀性能;止水条与施工缝基面应密贴,中间不得有空鼓、脱离等现象;止水条应牢固地安装在缝表面或预留凹槽内;止水条采用搭接连接时,搭接宽度不得小于30mm。

检验方法:观察检查和检查隐蔽工程验收记录。

5.1.9遇水膨胀止水胶施工:应采用专用注胶器挤出粘结在施工缝表面,并做到连续、均匀、饱满,无气泡和孔洞,挤出宽度及厚度应符合设计要求;止水胶挤出成型后,固化期内应采取临时保护措施;止水胶固化前不得浇筑混凝土。

检验方法:观察检查和检查隐蔽工程验收记录。

5.1.10预埋注浆管的施工:应设置在施工缝断面中部,注浆管与施工缝基面应密贴应固定牢靠,固定间距宜为200mm~300mm;注浆导管与注浆管的连接应牢固、严密,导管埋入混凝土内的部分应与结构钢筋绑扎牢固,导管的末端应临时封堵严密。

检验方法:观察检查和检查隐蔽工程验收记录。