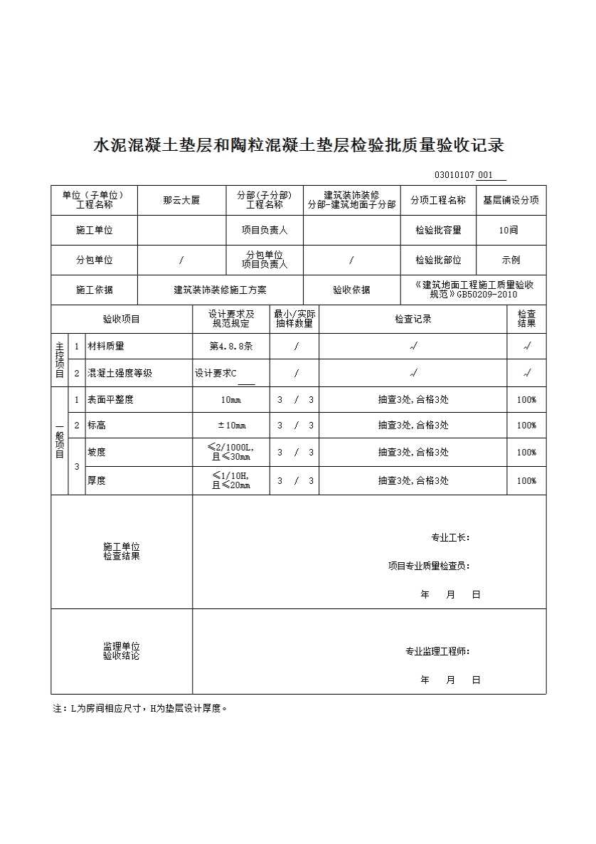
水泥混凝土垫层和陶粒混凝土垫层检验批质量验收记录
一、检验批划分
按施工段、变形缝划分;对于工程量较少的分项工程可统一划分为一个验收批。
二、主控项目
4.8.8 水泥混凝土垫层和陶粒混凝土垫层采用的粗骨料,其最大粒径不应大于垫层厚度的2/3,含泥量不应大于3%;砂为中粗砂,其含泥量不应大于3%。陶粒中粒径小于5mm的颗粒含量应小于10%;粉煤灰陶粒中大于15mm的颗粒含量不应大于5%;陶粒中不得混夹杂物或粘土块。陶粒应优先选用粉煤灰陶粒、页岩陶粒等。
检验方法:观察检查和检查质量合格证明文件。
检查数量:同一工程、同一强度等级、同一配合比检查一次。
4.8.9 水泥混凝土和陶粒混凝土的强度等级应符合设计要求。陶粒混凝土的密度应在800kg/m3~1400kg/m3之间。
检验方法:检查配合比试验报告和强度等级检测报告。
检查数量:配合比试验报告按同一工程、同一强度等级、同一配合比检查一次;强度等级检测报告按本规范第3.0.19条的规定检查。
3.0.19 检验同一施工批次、同一配合比水泥混凝土和水泥砂浆强度的试块,应按每一层(或检验批)建筑地面工程不少于1组。当每一层(或检验批)建筑地面工程面积大于1000m2时,每增加1000m2应增做1组试块;小于1000m2按1000m2计算,取样1组;检验同一施工批次、同一配合比的散水、明沟、踏步、台阶、坡道的水泥混凝土、水泥砂浆强度的试块,应按每150延长米不少于1组。
三、一般项目
4.8.10 水泥混凝土垫层和陶粒混凝土垫层表面的允许偏差应符合本规范表4.1.7的规定。
检验方法:按本规范表4.1.7中的检验方法检验。
4.1.7 基层的标高、坡度、厚度等应符合设计要求。基层表面应平整,其允许偏差和检验方法应符合表4.1.7的规定。
表4.1.7 基层表面的允许偏差和检验方法
|
项次 |
项目 |
允许偏差(mm) |
检验方法 |
||||||||||||||
|
基土 |
垫层 |
找平层 |
填充层 |
隔离层 |
绝热层 |
||||||||||||
|
土 |
砂、砂石、碎石、碎砖 |
灰土、三合土、四合土、炉渣、水泥混凝土、陶粒混凝土 |
木搁栅 |
垫层地板 |
用胶结料做结合层铺设板块面层 |
用水泥砂浆做结合层铺设板块面层 |
用胶粘剂做结合层铺设拼花木板、浸渍纸层压木质地板、实木复合地板、竹地板、软木地板面层 |
金属板面层 |
松散材料 |
板、块材料 |
防水、防潮、防油渗 |
板块材料、浇筑材料、喷涂材料 |
|||||
|
拼花实木地板、拼花实木复合地板、软木类地板面层 |
其他种类面层 |
||||||||||||||||
|
1 |
表面平整度 |
15 |
15 |
10 |
3 |
3 |
5 |
3 |
5 |
2 |
3 |
7 |
5 |
3 |
4 |
用2m靠尺和楔形塞尺检查 |
|
|
2 |
标高 |
0 -50 |
±20 |
±10 |
±5 |
±5 |
±8 |
±5 |
±8 |
±4 |
±4 |
±4 |
±4 |
±4 |
±4 |
用水准 仪检查 |
|
|
3 |
坡度 |
不大于房间相应尺寸的2/1000,且不大于30 |
用坡度 尺检查 |
||||||||||||||
|
4 |
厚度 |
在个别地方不大于设计厚度的1/10,且不大于20 |
用钢尺 检查 |
||||||||||||||
检查数量:按本规范第3.0.21条规定的检验批和第3.0.22条的规定检查。
3.0.21 建筑地面工程施工质量的检验,应符合下列规定:
1 基层(各构造层)和各类面层的分项工程的施工质量验收应按每一层次或每层施工段(或变形缝)划分检验批,高层建筑的标准层可按每三层(不足三层按三层计)划分检验批;
2 每检验批应以各子分部工程的基层(各构造层)和各类面层所划分的分项工程按自然间(或标准间)检验,抽查数量应随机检验不应少于3间;不足3间,应全数检查;其中走廊(过道)应以10延长米为1间,工业厂房(按单跨计)、礼堂、门厅应以两个轴线为1间计算;
3 有防水要求的建筑地面子分部工程的分项工程施工质量每检验批抽查数量应按其房间总数随机检验不应少于4间,不足4间,应全数检查。
3.0.22 建筑地面工程的分项工程施工质量检验的主控项目,应达到本规范规定的质量标准,认定为合格;一般项目80%以上的检查点(处)符合本规范规定的质量要求,其他检查点(处)不得有明显影响使用,且最大偏差值不超过允许偏差值的50%为合格。