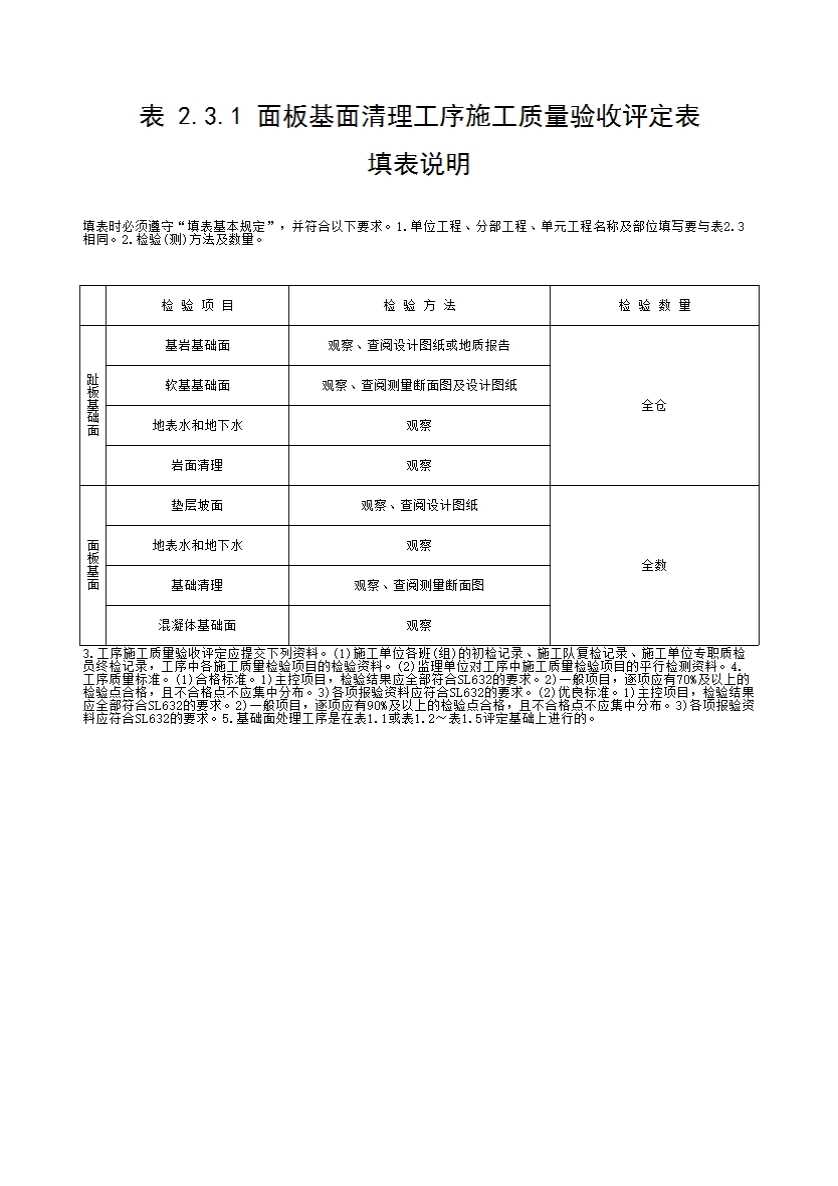
表 2.3.1 面板基面清理工序施工质量验收评定表
填表说明
填表时必须遵守“填表基本规定”,并符合以下要求。1.单位工程、分部工程、单元工程名称及部位填写要与表2.3相同。2.检验(测)方法及数量。
|
|
检 验 项 目 |
检 验 方 法 |
检 验 数 量 |
|
趾板基础面 |
基岩基础面 |
观察、查阅设计图纸或地质报告 |
全仓 |
|
软基基础面 |
观察、查阅测量断面图及设计图纸 |
||
|
地表水和地下水 |
观察 |
||
|
岩面清理 |
观察 |
||
|
面板基面 |
垫层坡面 |
观察、查阅设计图 |
全数 |
|
地表水和地下水 |
观察 |
||
|
基础清理 |
观察、查阅测量断面图 |
||
|
混凝体基础面 |
观察 |
3.工序施工质量验收评定应提交下列资料。(1)施工单位各班(组)的初检记录、施工队复检记录、施工单位专职质检员终检记录,工序中各施工质量检验项目的检验资料。(2)监理单位对工序中施工质量检验项目的平行检测资料。4.工序质量标准。(1)合格标准。1)主控项目,检验结果应全部符合SL632的要求。2)一般项目,逐项应有70%及以上的检验点合格,且不合格点不应集中分布。3)各项报验资料应符合SL632的要求。(2)优良标准。1)主控项目,检验结果应全部符合SL632的要求。2)一般项目,逐项应有90%及以上的检验点合格,且不合格点不应集中分布。3)各项报验资料应符合SL632的要求。5.基础面处理工序是在表1.1或表1.2~表1.5评定基础上进行的。