表 2.2.3 预埋件制作及安装工序施工质量验收评定表
填表说明
填表时必须遵守“填表基本规定”,并符合以下要求。1.单位工程、分部工程、单元工程名称及部位填写要与表2.1相同。2.检验(测)方法及数量。
|
检 验 项 目 |
检 验 方 法 |
检 验 数 量 |
||
|
止水片、止水带 |
片(带)外观 |
观察 |
所有外露止水片(带) |
|
|
基座 |
观察 |
不少于5个点 |
||
|
片(带)插入深度 |
检查,量测 |
不少于1个点 |
||
|
沥青井(柱) |
观察 |
检查3~5个点 |
||
|
接头 |
检查 |
全数 |
||
|
片(带)偏差 |
量测 |
检查3~5个点 |
||
|
搭接 长度 |
金属止水片 |
每个焊接处 |
||
|
橡胶、PVC止水带 |
每个连接处 |
|||
|
金属止水片与PVC止水带接头栓接长度 |
每个连接带 |
|||
|
片(带)中心线与接缝中心线安装偏差 |
检查1~2个点 |
|||
|
伸缩缝、填充材料 |
观察 |
全部 |
||
|
排水系统 |
孔口装置 |
观察、量测 |
全部 |
|
|
排水管通畅性 |
观察 |
|||
|
排水孔倾斜度 |
量测 |
全数 |
||
|
排水孔(管)位置 |
||||
|
基岩排水孔 |
||||
|
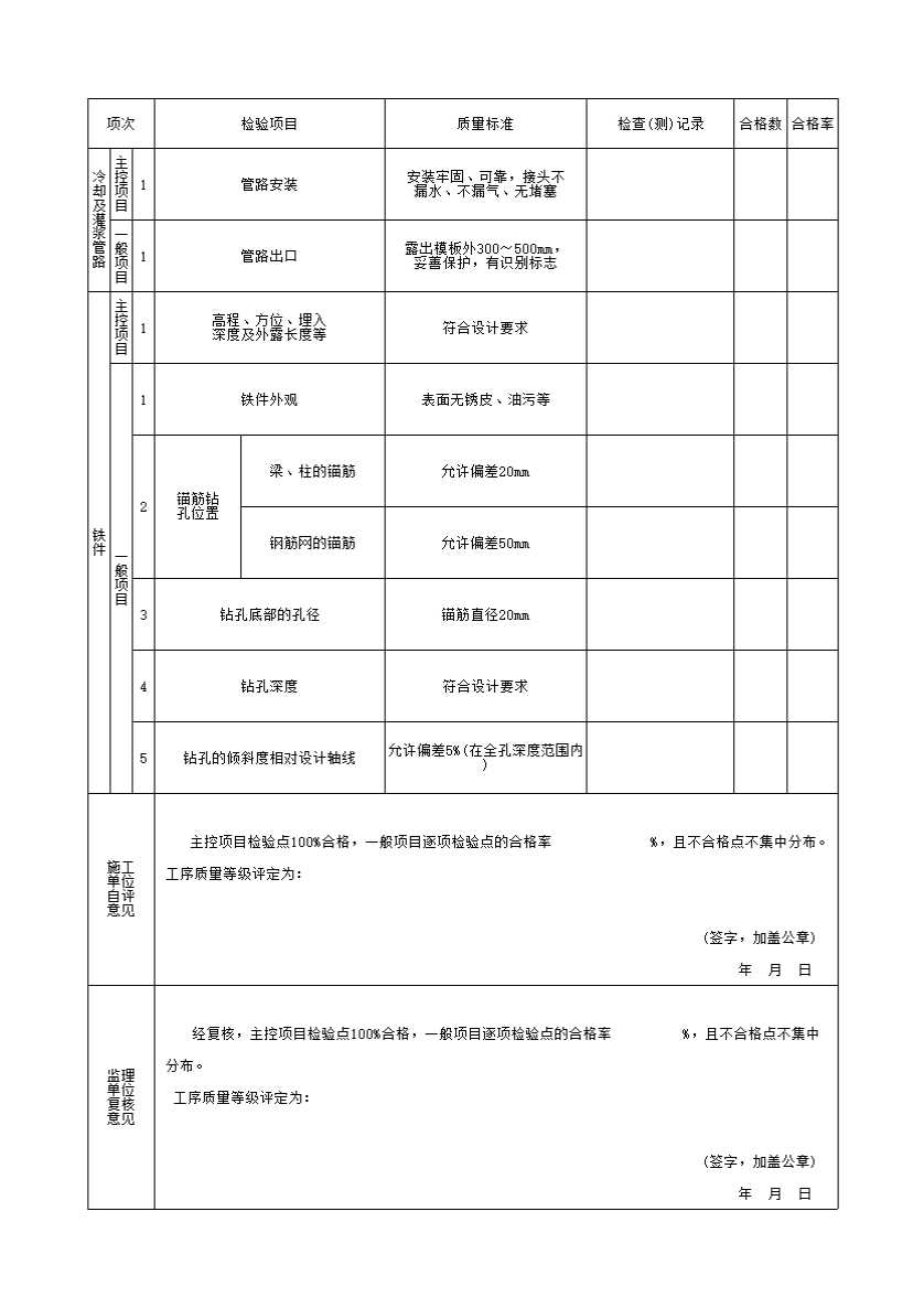
冷却及灌 浆管路 |
管路安装 |
通气、通水 |
所有接头 |
|
|
管路出口 |
观察 |
全部 |
||
|
铁件 |
高程、方位、埋入深度及外露长度等 |
对照图纸现场观察、查阅施工记录、量测 |
||
|
铁件外观 |
观察 |
|||
|
锚筋钻孔位置、钻孔底部的孔径、钻 孔深度、钻孔的倾斜度相对设计轴线 |
量测 |
|||
3.工序施工质量验收评定应提交下列资料。(1)施工单位各班(组)的初检记录、施工队复检记录、施工单位专职质检员终检记录,工序中各施工质量检验项目的检验资料。(2)监理单位对工序中施工质量检验项目的平行检测资料。4.工序质量标准。(1)合格标准。1)主控项目,检验结果应全部符合SL632的要求。2)一般项目,逐项应有70%及以上的检验点合格,且不合格点不应集中分布。3)各项报验资料应符合SL632的要求。(2)优良标准。1)主控项目,检验结果应全部符合SL632的要求。2)一般项目,逐项应有90%及以上的检验点合格,且不合格点不应集中分布。3)各项报验资料应符合SL632的要求。