上级...

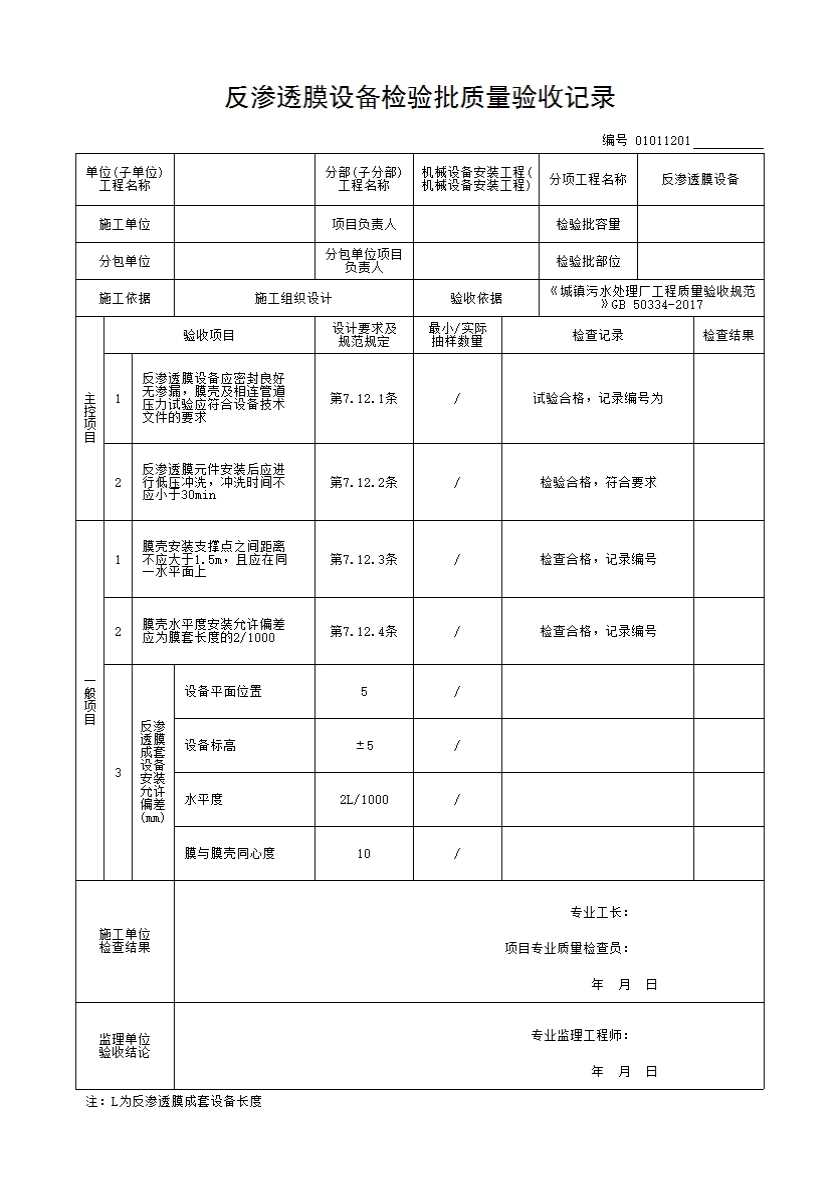
01011201_反渗透膜设备检验批质量验收记录

填写规范


主控项目

7.12.1 反渗透膜设备应密封良好、无渗漏,膜壳及相连管道压力试验应符合设备技术文件的要求。
    检验方法:观察检查,检查试验记录。

7.12.2 反渗透膜元件安装后应进行低压冲洗,冲洗时间不应小于30min。
    检验方法:检查施工记录。

一般项目

7.12.3 膜壳安装支撑点之间距离不应大于1.5m,且应在同一水平面上。
    检验方法:尺量检查,检查施工记录。

7.12.4 膜壳水平度安装允许偏差应为膜套长度的2/1000。
    检验方法:水平仪检查,检查施工记录。

7.12.5 反渗透膜成套设备安装允许偏差和检验方法应符合表7.12.5的规定。

7.12.5 反渗透膜成套设备安装允许偏差和检验方法

序号

项目

允许偏差(mm)

检验方法

1

设备平面位置

5

尺量检查

2

设备标高

±5

水准仪和直尺检查

3

水平度

2L/1000

水平仪检查

4

膜与膜壳同心度

10

直尺检查

  注:L为反渗透膜成套设备长度。