上级...

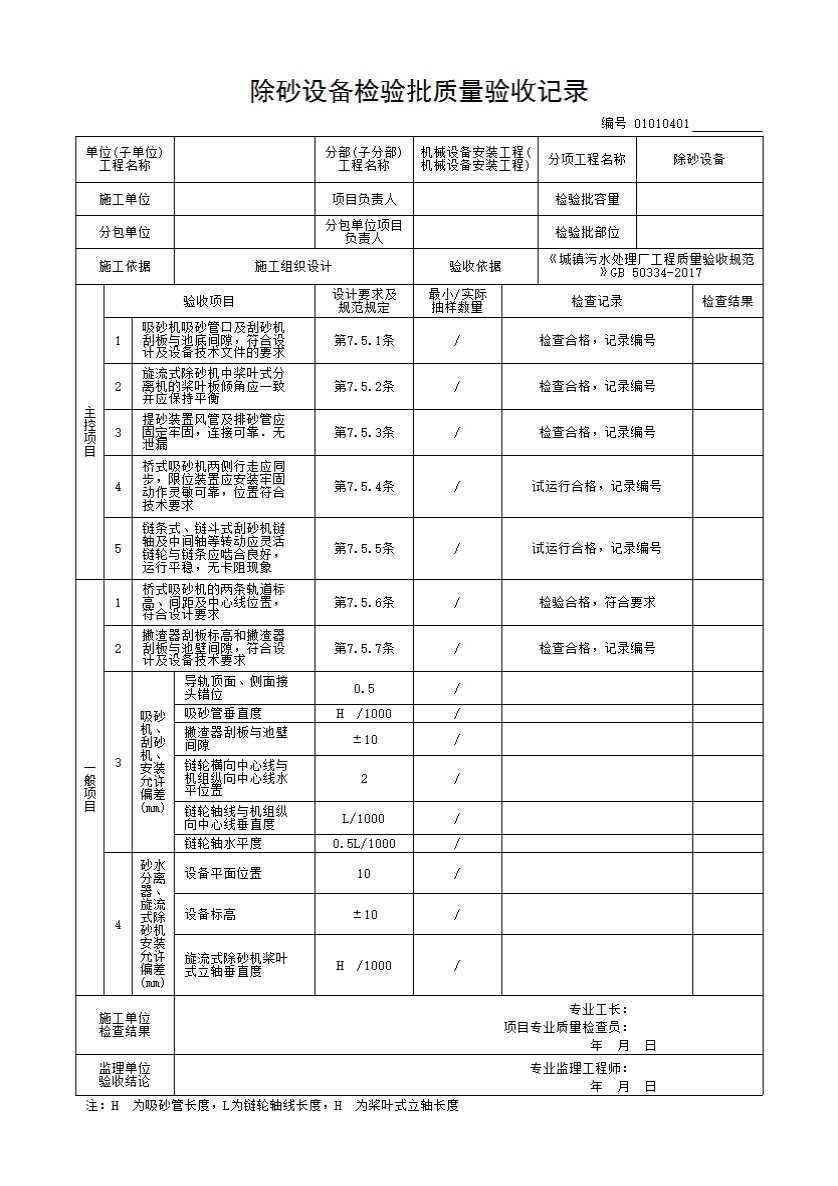
01010401_除砂设备检验批质量验收记录

填写规范


主控项目

7.5.1 吸砂机吸砂管口及刮砂机刮板与池底间隙应符合设计及设备技术文件的要求。
    检验方法:尺量检查,检查施工记录。

7.5.2 旋流式除砂机中桨叶式分离机的桨叶板倾角应一致,并应保持平衡。
    检验方法:观察检查,检查施工记录。

7.5.3 提砂装置风管及排砂管应固定牢固,连接可靠,无泄漏。
    检验方法:观察检查,检查施工记录。

7.5.4 桥式吸砂机两侧行走应同步,限位装置应安装牢固,动作灵敏可靠,位置符合设备技术文件要求。
    检验方法:观察检查,检查试运转记录。

7.5.5 链条式、链斗式刮砂机链轴及中间轴等转动应灵活,链轮与链条应啮合良好,运行平稳,无卡阻现象。
    检验方法:观察检查,检查试运转记录。

一般项目

7.5.6 桥式吸砂机的两条轨道标高、间距及中心线位置应符合设计文件的要求。
    检验方法:检查施工记录。

7.5.7 撇渣器刮板标高和撇渣器刮板与池壁间隙应符合设计及设备技术文件的要求。
    检验方法:观察检查,检查施工记录。

7.5.8 吸砂机、刮砂机安装允许偏差和检验方法应符合表7.5.8的规定。

7.5.8 吸砂机、刮砂机安装允许偏差和检验方法

序号

项目

允许偏差(mm

检验方法

1

导轨顶面、侧面接头错位

0.5

直尺和塞尺检查

2

吸砂管垂直度

H/1000

线坠和直尺检查

3

撇渣器刮板与池壁间隙

±10

直尺检查

4

链轮横向中心线与机组纵向中心线水平位置

2

钢丝、直尺检查

5

链轮轴线与机组纵向中心线垂直度

L/1000

钢丝、直尺检查

6

链轮轴水平度

0.5L/1000

水平仪检查

注:H为吸砂管长度,L为链轮轴线长度。

7.5.9 砂水分离器、旋流式除砂机安装允许偏差和检验方法应符合表7.5.9的规定。

7.5.9 砂水分离器、旋流式除砂机安装允许偏差和检验方法

序号

项目

允许偏差(mm

检验方法

1

设备平面位置

10

尺量检查

2

设备标高

±10

水准仪与直尺检查

3

旋流式除砂机桨叶式立轴垂直度

H/1000

线坠与直尺检查

 注:H为桨叶式立轴长度。