上级...

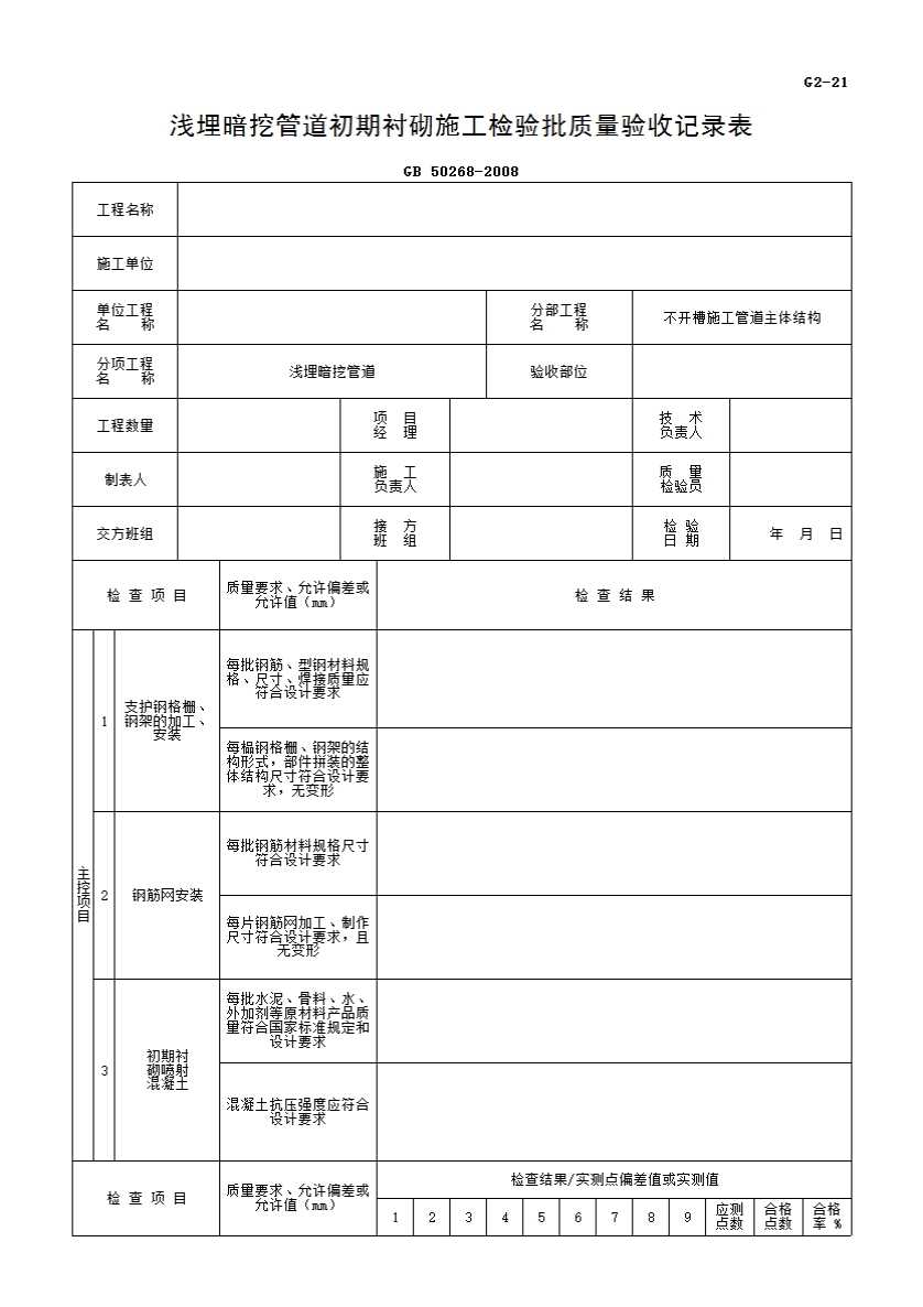
浅埋暗挖管道初期衬砌施工检验批质量验收记录表

填写规范


6.7.9 浅埋暗挖管道的初期衬砌应符合下列规定:

主控项目

    1 支护钢格栅、钢架的加工、安装应符合下列规定:
      1)每批钢筋、型钢材料规格、尺寸、焊接质量应符合设计要求;
      2)每榀钢格栅、钢架的结构形式,以及部件拼装的整体结构尺寸应符合设计要求,且无变形;
    检查方法:观察;检查材料质量保证资料,检查加工记录。
    2 钢筋网安装应符合下列规定:
      1)每批钢筋材料规格、尺寸应符合设计要求;
      2)每片钢筋网加工、制作尺寸应符合设计要求,且无变形;
    检查方法:观察;检查材料质量保证资料。
    3 初期衬砌喷射混凝土应符合下列规定:
      1)每批水泥、骨料、水、外加剂等原材料,其产品质量应符合国家标准的规定和设计要求;
      2)混凝土抗压强度应符合设计要求;
    检查方法:检查材料质量保证资料、混凝土试件抗压和抗渗试验报告。
    检查数量:混凝土标准养护试块,同一配合比,管道拱部和侧墙每20m混凝土为一验收批,抗压强度试块各留置一组;同一配合比,每40m管道混凝土留置抗渗试块一组。

一般项目

4 初期支护钢格棚、钢架的加工、安装应符合下列规定:
      1)每榀钢格棚各节点连接必须牢固,表面无焊渣;
      2)每榀钢格栅与壁面应楔紧,底脚支垫稳固:相邻格栅的纵向连接必须绑扎牢固;
      3)钢格栅、钢架的加工与安装的允许偏差符合表6.7.9—1的规定。

6.7.9-1钢格栅、 钢架的加工与安装的允许偏差

检查项目

允许偏差(mm)

检查数量

检查方法

范围

点数

1

加工

拱架

(拱、

端拱)

矢高及弧长

+200mm

每榀

2

用钢尺量測

墙架长度

±20mm

1

拱、端架横断面(高、宽)

+100mm

2

格棚组

装后外

轮廓尺计

高度

±30mm

1

宽度

±20mm

2

扭曲度

≤20mm

3

2

安装

横向和纵向位置

横向±30mm.纵向±50mm

2

垂直度

5%

2

用垂球及钢尺量测

高程

±30mm.

2

用水准仪测量

与管道中线倾角

≤2°

1

用经纬仪测量

间距

格栅

±100mm

每处1

用钢尺量測

钢架

±50mm

每处1

:首榀钢格棚应经检验合格后,方可投人批量生产。

检查方法:观察;检查制造、加工记录,按表6.7.9—1的规定检查允许偏差。
    5 钢筋网安装应符合下列规定:
      1)钢筋网必须与钢筋格栅、钢架或锚杆连接牢固;
      2)钢筋网加工、铺设的允许偏差应符合表6.7.9—2的规定。

6.7.9-2钢筋网加工、铺设的允许偏差

检查项目

允许偏差(mm)

检查数量

检查方法

范围

点数

1

钢筋网

加工

钢筋间距

±10

2

用钢尺量测

钢筋搭接长

±15

2

钢筋网

敷设

搭接长度

≥200

一榀钢拱梁长度

4

用钢尺量测

保护层

符合设计要求

2

用垂球及尺量测.

 检查方法:观察;按表6.7.9—2的规定检查允许偏差。
    6 初期衬砌喷射混凝土应符合下列规定:
      1)喷射混凝土层表面应保持平顺、密实,且无裂缝、无脱落、无漏喷、无露筋、无空鼓、无渗漏水等现象;
      2)初期衬砌喷射混凝土质量的允许偏差符合表6.7.9—3的规定。

6.7.9-3初期衬砌喷射混凝土质量的允许偏差

检查项目

允许偏差(mm)

检查数量

检查方法

范围

点数

1

平整度

≤30

20m

2

用2m靠尺和塞尺量测

2

矢、弦比

≯1/6

20m

1个断面

用尺量测

3

喷射混凝土层厚度

见表注1

20m

1个断面

: 1喷射混凝 土层厚度允许偏差。60%以上检查点厚度不小于设计厚度,其余点处的最小厚度不小于设计厚度的1/2;厚度总平均值不小于设计厚度:

2每20m管道检查一个断面,每断面以拱部中线开始,每间隔2~3m设--个点。但每一检查断面的拱部不应少于3个点。总计不应少于5个点。

检查方法:观察;按表6.7. 9-3的规定检查允许偏差。