|
云上资料软件
登录
/
注册
免费注册
登录
首页
软件下载
购买
首页
资料软件
(下载)
云上资料软件
(下载)
在线表格
求职招聘
服务平台
那云知道
当前位置:
表格库
>
海南
>
工业设备及管道
>
GB50184-2011 工业金属管道工程施工质量验收规范
>
5 管道加工
>
5.5 斜接弯头制作分项工程质量验收记录
上级...
5.5 斜接弯头制作分项工程质量验收记录
表格
填写规范
下载表格
点击领取首张表格excel
点击查看大图
下载表格
点击领取首张表格excel
填写规范
Ⅰ 一般项目
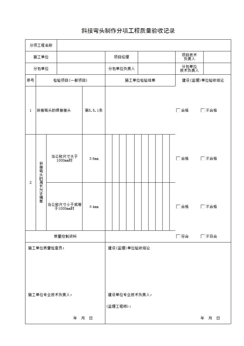
5.5.1 斜接弯头的焊接接头应采用全焊透焊缝, 其型式和尺寸应符合国家现行有关标准和设计文件的规定。
检验数量: 全部检查。
检验方法: 观察检查和采用检测尺检查。
5.5.2 斜接弯头的周长允许偏差应符合下列规定:
1 当公称尺寸大于 1000mm 时, 允许偏差为±6mm。
2 当公称尺寸小于或等于 1000mm 时, 允许偏差为±4mm。
检验数量: 全部检查, 每个不少于 3 处。
检验方法: 观察检查和采用直尺检查。
×
下载表格
表格名称:5.5 斜接弯头制作分项工程质量验收记录
所需N币:
N币
(我有
)N币)
您的N币不足,请先充值。
充值N币
充值N币
下载
取消
×
分享页面
QQ分享
空间分享
微信分享
微博分享