|
云上资料软件
登录
/
注册
免费注册
登录
首页
软件下载
购买
首页
资料软件
(下载)
云上资料软件
(下载)
在线表格
求职招聘
服务平台
那云知道
当前位置:
表格库
>
海南
>
房建
>
海南省建筑工程竣工验收资料旧版
>
分部:09电梯
>
子分部:【电力驱动的曳引式或强制式电梯安装工程】
>
【施工配套用表】
>
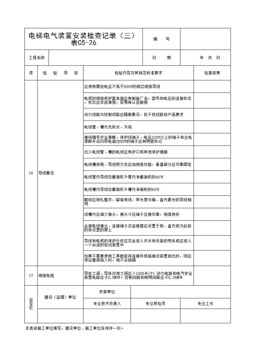
C5-26 电梯电气装置安装检查记录(一)
上级...
C5-26 电梯电气装置安装检查记录(一)
表格
下载表格
点击领取首张表格excel
点击查看大图
点击查看大图
点击查看大图
下载表格
点击领取首张表格excel
×
下载表格
表格名称:C5-26 电梯电气装置安装检查记录(一)
所需N币:
N币
(我有
)N币)
您的N币不足,请先充值。
充值N币
充值N币
下载
取消
×
分享页面
QQ分享
空间分享
微信分享
微博分享