上级...

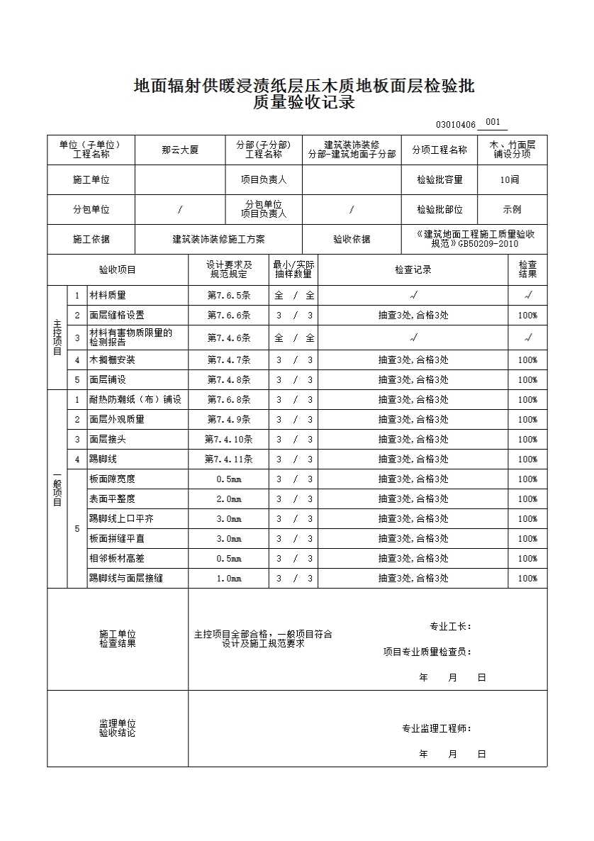
03010406_地面辐射供暖浸渍纸层压木质地板面层检验批质量验收记录

填写规范


地面辐射供暖浸渍纸层压木质地板面层检验批质量验收记录 

一、检验批划分

按施工段、变形缝划分;对于工程量较少的分项工程可统一划分为一个验收批。

二、主控项目 

7.6.5 地面辐射供暖的木板面层采用的材料或产品除应符合设计要求和本规范相应面层的规定外,还应具有耐热性、热稳定性、防水、防潮、防霉变等特点。 

检验方法:观察检查和检查质量合格证明文件。 

检查数量:同一工程、同一材料、同一生产厂家、同一型号、同一规格、同一批号检查一次。 

7.6.6 地面辐射供暖的木板面层与柱、墙之间应留不小于10mm的空隙。当采用无龙骨的空铺法铺设时,应在空隙内加设金属弹簧卡或木楔子,其间距宜为200mm~300mm。 

检验方法:观察和用钢尺检查。 

检查数量:按本规范第3.0.21条规定的检验批检查。 

7.4.6 浸渍纸层压木质地板面层采用的材料进入施工现场时,应有以下有害物质限量合格的检测报告: 

1 地板中的游离甲醛(释放量或含量); 

2 溶剂型胶粘剂中的挥发性有机化合物(VOC)、苯、甲苯+二甲苯; 

3 水性胶粘剂中的挥发性有机化合物(VOC)和游离甲醛。 

检验方法:检查检测报告。 

检查数量:同一工程、同一材料、同一生产厂家、同一型号、同一规格、同一批号检查一次。 

7.4.7 木搁栅、垫木和垫层地板等应做防腐、防蛀处理;其安装应牢固、平直,表面应洁净。 

检验方法:观察、行走、钢尺测量等检查和检查验收记录。 

检查数量:按本规范第3.0.21条规定的检验批检查。 

7.4.8 面层铺设应牢固、平整;粘贴应无空鼓、松动。 

检验方法:观察、行走、钢尺测量、用小锤轻击检查。 

检查数量:按本规范第3.0.21条规定的检验批检查。 

三、一般项目 

7.4.9 浸渍纸层压木质地板面层的图案和颜色应符合设计要求,图案应清晰,颜色应一致,板面应无翘曲。 

检验方法:观察、用2 m靠尺和楔形塞尺检查。 

检查数量:按本规范第3.0.21条规定的检验批检查。 

7.4.10 面层的接头应错开、缝隙应严密、表面应洁净。 

检验方法:观察检查。 

检查数量:按本规范第3.0.21条规定的检验批检查。 

7.4.11 踢脚线应表面光滑,接缝严密,高度一致。 

检验方法:观察和用钢尺检查。 

检查数量:按本规范第3.0.21条规定的检验批检查。 

7.4.12 浸渍纸层压木质地板面层的允许偏差应符合本规范表7.1.8的规定。 

检验方法:按本规范表7.1.8中的检验方法检验。 

检查数量:按本规范第3.0.21条规定的检验批和第3.0.22条的规定检查。 

7.1.8 木、竹面层的允许偏差和检验方法应符合表7.1.8的规定。 

7.1.8 木、竹面层的允许偏差和检验方法 

项次 

项目 

允许偏差(mm) 

检验方法 

实木地板、实木集成地板、竹地板面层 

浸渍纸层压木质地板、实木复合地板、软木类地板面层 

松木地板 

硬木地板、竹地板 

拼花地板 

1 

板面缝隙宽度 

1.0 

0.5 

0.2 

0.5 

用钢尺检查 

2 

表面平整度 

3.0 

2.0 

2.0 

2.0 

用2m靠尺和楔形塞尺检查 

3 

踢脚线上口平齐 

3.0 

3.0 

3.0 

3.0 

拉5m通线,不足5m拉通线和用钢尺检查 

4 

板面拼缝平直 

3.0 

3.0 

3.0 

3.0 

5 

相邻板材高差 

0.5 

0.5 

0.5 

0.5 

用钢尺和楔形塞尺检查 

6 

踢脚线与面层 

的接缝 

1.0 

楔形塞尺检查 

3.0.21 建筑地面工程施工质量的检验,应符合下列规定:

1 基层(各构造层)和各类面层的分项工程的施工质量验收应按每一层次或每层施工段(或变形缝)划分检验批,高层建筑的标准层可按每三层(不足三层按三层计)划分检验批;

2 每检验批应以各子分部工程的基层(各构造层)和各类面层所划分的分项工程按自然间(或标准间)检验,抽查数量应随机检验不应少于3间;不足3间,应全数检查;其中走廊(过道)应以10延长米为1间,工业厂房(按单跨计)、礼堂、门厅应以两个轴线为1间计算;

3 有防水要求的建筑地面子分部工程的分项工程施工质量每检验批抽查数量应按其房间总数随机检验不应少于4间,不足4间,应全数检查。

3.0.22 建筑地面工程的分项工程施工质量检验的主控项目,应达到本规范规定的质量标准,认定为合格;一般项目80%以上的检查点(处)符合本规范规定的质量要求,其他检查点(处)不得有明显影响使用,且最大偏差值不超过允许偏差值的50%为合格。

示例