上级...

06071001_风管与设备绝热检验批质量验收记录

填写规范


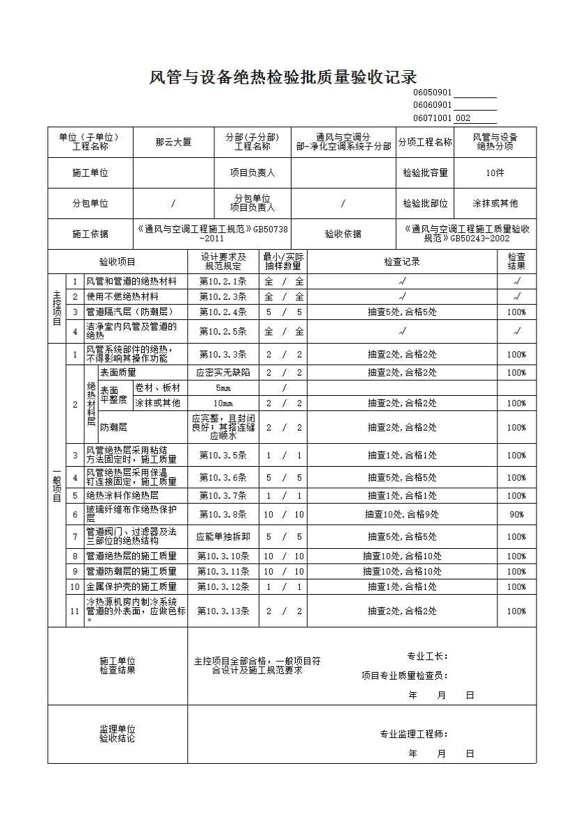
风管与设备绝热检验批质量验收记录

一、检验批划分

应按一个设计系统或设备组别划分为一个检验批。

二、主控项目

10.2.1 风管和管道的绝热,应采用不燃或难燃材料,其材质、密度、规格与厚度应符合设计要求。如采用难燃材料时,应对其难燃性进行检查,合格后方可使用。

检查数量:按批随机抽查1个。

检查方法:观察检查、检查材料合格证,并做点燃试验。

10.2.2 防腐涂料和油漆,必须是在有效保质期限内的合格产品。

检查数量:按批检查。

检查方法:观察、检查材料合格证。

10.2.3 在下列场合必须使用不燃绝热材料:

1 电加热器前后800mm的风管和绝热层;

2 穿越防火隔墙两侧2m范围内风管、管道和绝热层。

检查数量:全数检查。

检查方法:观察、检查材料合格证与做点燃试验。

10.2.4 输送介质温度低于周围空气露点温度的管道,当采用非闭孔性绝热材料时,隔汽层(防潮层)必须完整,且封闭良好。

检查数量:按数量抽查10%,且不得少于5段。

检查方法:观察检查。

10.2.5 位于洁净室内的风管及管道的绝热,不应采用易产尘的材料(如玻璃纤维、短纤维矿棉等)。

检查数量:全数检查。

检查方法:观察检查。

三、一般项目

10.3.1 喷、涂油漆的漆膜,应均匀、无堆积、皱纹、气泡、掺杂、混色与漏涂等缺陷。

检查数量:按面积检查10%

检查方法:观察检查。

10.3.2 各类空调设备、部件的油漆喷、涂,不得遮盖铭牌标志和影响部件的功能使用。

检查数量:按数量检查10%,且不得少于2个。

检查方法:观察检查。

10.3.3 风管系统部件的绝热,不得影响其操作功能。

检查数量:按数量检查10%,且不得少于2个。

检查方法:观察检查。

10.3.4 绝热材料层应密实,无裂缝、空隙等缺陷。表面应平整,应采用卷材或板材时,允许偏差为5mm;采用涂抹或其他方式时,允许偏差为10mm。防潮层(包括绝热层的端部)应完整,且封闭良好;其搭连缝应顺水。

检查数量:管道按轴线长度抽查10%;部件、阀门抽查10%,且不得少于2个。

检查方法:观察检查、用钢丝刺入保温层、尺量。

10.3.5 风管绝热层采用粘结方法固定时,施工应符合下列规定:

1 粘结剂的性能应符合使用温度和环境卫生的要求,并与绝热材料相匹配;

2 粘结材料宜均匀地涂在风管、部件或设备的外表面上,绝热材料与风管、部件及设备表面应紧密贴合,无空隙;

3 绝热层纵、横向的连缝,应错开;

4 绝热层粘贴后,如进行包扎或捆扎,包扎的搭连处应均匀、贴紧;捆扎的应松紧适度,不得损坏绝热层。

检查数量:按数量抽查10%

检查方法:观察检查和检查材料合格证。

10.3.6 风管绝热层采用保温钉连接固定时,应符合下列规定:

1 保温钉与风管、部件及设备表面的连接,可采用粘接或焊接,结合应牢固,不得脱落;焊接后应保持风管的平整,并不应影响镀锌钢板的防腐性能;

2 矩形风管或设备保温钉的分布应均匀,其数量底面每平方米不应少于16个,侧面不应少于10个,顶面不应少于8个。首行保温钉至保温材料边沿的距离应小于120mm;

3 风管法兰部位的绝热层的厚度,不应低于风管绝热层的0.8倍;

4 有防潮隔汽层绝热材料的拼缝处,应用粘胶带封严。粘胶带的宽度不应小于50mm。粘胶带应牢固地粘贴在防潮面层上,不得有胀裂和脱落。

检查数量:按数量抽查10%,且不得少于5处。

检查方法:观察检查。

10.3.7 绝热涂料作绝热层时,应分层涂抹,厚度均匀,不得有气泡和漏涂等缺陷,表面固化层应光滑,牢固无缝隙。

检查数量:按数量抽查10%。

检查方法:观察检查。

10.3.8 当采用玻璃纤维布作绝热保护层时,搭接的宽度应均匀,宜为30~50mm,且松紧适度。

检查数量:按数量抽查10%,且不得少于10㎡。

检查方法:尺量、观察检查。

10.3.9管道阀门、过滤器及法兰部位的绝热结构应能单独拆卸。

检查数量:按数量抽查10%,且不得少于5个。

检查方法:观察检查。

10.3.10 管道绝热层的施工,应符合下列规定:

1 绝热产品的材质和规格,应符合设计要求,管壳的粘贴应牢固、铺设应平整;绑扎应紧密,无滑动、松弛与断裂现象;

2 硬质或半硬质绝热管壳的拼接缝隙,保温时不应大于5mm、保冷时不应大于2mm,并用粘结材料勾缝填满;纵缝应错开,外层的水平接缝应设在侧下方。当绝热层的厚度大于100mm时,应分层铺设,层间应压缝;

3 硬质或半硬质绝热管壳应用金属丝或难腐织带捆扎,其间距为300~350mm,且每节至少捆扎2道;

4 松散或软质绝热材料应按规定的密度压缩其体积,疏密应均匀。毡类材料在管道上包扎时,搭接处不应有空隙。

检查数量:按数量抽查10%,且不得少于10段。

检查方法:尺量、观察检查及查阅施工记录。

10.3.11 管道防潮层的施工应符合下列规定:

1 防潮层应紧密粘贴在绝热层上,封闭良好,不得有虚粘、气泡、褶皱、裂缝等缺陷;

2 立管的防潮层,应由管道的低端向高端敷设,环向搭接的缝口应朝向低端;纵向的搭接缝应位于管道的侧面,并顺水;

3 卷材防潮层采用螺旋形缠绕的方式施工时,卷材的搭接宽度宜为30~50mm。

检查数量:按数量抽查10%,且不得少于10m。

检查方法:尺量、观察检查。

10.3.12 金属保护壳的施工,应符合下列规定:

1 应紧贴绝热层,不得有脱壳、褶皱、强行接口等现象。接口的搭接应顺水,并有凸筋加强,搭接尺寸为20~25mm。采用自攻螺丝固定时,螺钉间距应匀称,并不得刺破防潮层。

2 户外金属保护壳的纵、横向接缝,应顺水;其纵向接缝应位于管道的侧面。金属保护壳与外墙面或屋顶的交接处应加设泛水。

检查数量:按数量抽查10%。

检查方法:观察检查。

10.3.13 冷热源机房内制冷系统管道的外表面,应做色标。

检查数量:按数量抽查10%。

检查方法:观察检查。

示例