上级...

01020204_钢筋加工检验批质量验收记录

填写规范


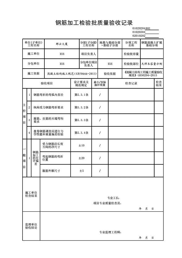
钢筋加工检验批质量验收记录 

一、检验批划分

各分项工程可根据与生产和施工方式相一致且便于控制施工质量的原则,按进场批次、工作班、楼层、结构缝或施工段划分为若干检验批。

二、主控项目

5.3.1 钢筋弯折的弯弧内直径应符合下列规定: 

1)光圆钢筋,不应小于钢筋直径的2.5倍; 

2)335MPa级、400MPa级带肋钢筋,不应小于钢筋直径的4倍; 

3)500MPa级带肋钢筋,当直径为28mm以下时不应小于钢筋直径的6倍,当直径为28mm及以上时不应小于钢筋直径的7倍;4)箍筋弯折处尚不应小于纵向受力钢筋的直径。

检查数量:同一设备加工的同一类型钢筋,每工作班抽查不应少于3 件。

检验方法:尺量。

5.3.2 纵向受力钢筋的弯折后平直段长度应符合设计要求。光圆钢筋末端作180°弯钩时,弯钩的平直段长度不应小于钢筋直径的3倍。

检查数量:同一设备加工的同一类型钢筋,每工作班抽查不应少于3 件。

检验方法:尺量。

5.3.3 箍筋、拉筋的末端应按设计要求作弯钩,并应符合下列规定:

1 对一般结构构件,箍筋弯钩的弯折角度不应小于90°,弯折后平直段长度不应小于箍筋直径的5倍;对有抗震设防要求或设计有专门要求的结构构件,箍筋弯钩的弯折角度不应小于135°,弯折后平直段长度不应小于箍筋直径的10倍;

2 圆形箍筋的搭接长度不应小于其受拉锚固长度,且两末端弯钩的弯折角度不应小于135°,弯折后平直段长度对一般结构构件不应小于箍筋直径的5倍,对有抗震设防要求的结构构件不应小于箍筋直径的10倍;
3 梁、柱复合箍筋中的单肢箍筋两端弯钩的弯折角度均不应小于135°,弯折后平直段长度应符合本条第1款对箍筋的有关规定。

检查数量:同一设备加工的同一类型钢筋,每工作班抽查不应少于3 件。

检验方法:尺量。

5.3.4 盘卷钢筋调直后应进行力学性能和重量偏差检验,其强度应符合国家现行有关标准的规定,其断后伸长率、重量偏差应符合表5.3.4的规定。力学性能和重量偏差检验应符合下列规定:

1 应对3个试件先进行重量偏差检验,再取其中2个试件进行力学性能检验。

2 重量偏差应按下式计算:

 

式中:——重量偏差(%);Wd——3个调直钢筋试件的实际重量之和(kg);W0——钢筋理论重量(kg),取每米理论重量(kg/m)与3个调直钢筋试件长度之和(m)的乘积。

3 检验重量偏差时,试件切口应平滑并与长度方向垂直,其长度不应小于500mm;长度和重量的量测精度分别不应低于1mm和1g。
采用无延伸功能的机械设备调直的钢筋,可不进行本条规定的检验。

检查数量:同一设备加工的同一牌号、同一规格的调直钢筋,重量不大于30t为一批,每批见证抽取3个试件。

检验方法:检查抽样检验报告。

5.3.4盘卷钢筋调直后的断后伸长率、重量偏差要求 

钢筋牌号 

断后伸长率A(%) 

重量偏差(%) 

直径6mm~12mm 

直径14mm~16mm 

HPB300 

≥21 

≥-10 

 

HRB335、HRBF335 

≥16 

≥-8 

≥-6 

HRB400、HRBF400 

≥15 

RRB400 

≥13 

HRB500、HRBF500 

≥14 

注:断后伸长率A的量测标距为5倍钢筋直径。

三、一般项目

5.3.5 钢筋加工的形状、尺寸应符合设计要求,其偏差应符合表5.3.5的规定。

检查数量:同一设备加工的同一类型钢筋,每工作班抽查不应少于3 件。

检验方法:尺量。

5.3.5钢筋加工的允许偏差 

项目 

允许偏差(mm) 

受力钢筋沿长度方向的净尺寸 

±10 

弯起钢筋的弯折位置 

±20 

箍筋外廓尺寸 

±5 

示例