上级...

表6.30 卧式水轮发电机定子和转子安装单元工程质量验收评定表

填写规范


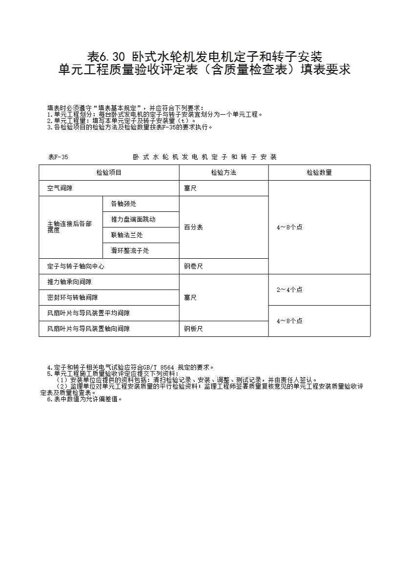
表6.30 卧式水轮机发电机定子和转子安装单元工程质量验收评定表(含质量检查表)填表要求

  填表时必须遵守“填表基本规定”,并应符合下列要求:
  1.单元工程划分:每台卧式发电机的定子与转子安装宜划分为一个单元工程。
  2.单元工程量:填写本单元定子及转子安装量(t)。
  3.各检验项目的检验方法及检验数量按表F-35的要求执行。

  4.定子和转子相关电气试验应符合GB/T 8564 规定的要求。
  5.单元工程施工质量验收评定应提交下列资料:
    (1)安装单位应提供的资料包括:清扫检验记录、安装、调整、测试记录,并由责任人签认。
    (2)监理单位对单元工程安装质量的平行检验资料;监理工程师签署质量复核意见的单元工程安装质量验收评定表及质量检查表。
  6.表中数值为允许偏差值。